行业洞察
-
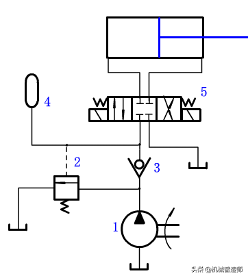
转载--蓄能器的作用及种类
一、蓄能器作用1、辅助动力源,短时大量供油在间歇工作或周期性动作中,蓄能器可以把泵输出的多余压力油储存起来。当系统需要时,由蓄能器释放出来。这样可以减少液压泵的额定流量,从而减小电机功率消耗,也能降低系统的温升。2、系统保压或作紧急动力源对于执行元件长时间不动作,而要保持恒定压力的系统,可用蓄能器来...
-
液压系统中的蓄能器,你了解它的作用和结构吗?
一、蓄能器的作用蓄能器的作用是将液压系统的能量储存起来,在需要时重新释放。它与电路中的电容很像,既可以储存能量,也可以吸收压力波动,具体应用非常灵活多样。1.作辅助动力源某些液压系统的执行元件是间歇动作的,总的工作时间很短,这些系统设置蓄能器后,在系统不需要大流量时,可以把泵输出的多余压力油储存在蓄...
-
三款热门蓝铜胜肽精华比拼,哪款值得无限回购?
近两年护肤界掀起了蓝铜胜肽的热潮,尤其高端护肤品中更是多见。蓝铜胜肽是我个人非常喜欢的一个抗老成分,原因有三:1.作为载体肽的代表,蓝铜胜肽不仅能促进胶原蛋白生成,还能促进弹性蛋白形成(抗老)2.蓝铜胜肽还有舒缓镇静褪红的作用(稳定皮肤状态)3.加速伤口愈合,减少疤痕生成(战痘天使,不仅加速小伤口愈...
-
转载--蓄能器的作用及种类
一、蓄能器作用1、辅助动力源,短时大量供油在间歇工作或周期性动作中,蓄能器可以把泵输出的多余压力油储存起来。当系统需要时,由蓄能器释放出来。这样可以减少液压泵的额定流量,从而减小电机功率消耗,也能降低系统的温升。2、系统保压或作紧急动力源对于执行元件长时间不动作,而要保持恒定压力的系统,可用蓄能器来...
-
蒸汽喷抽洗车机,洗车店的首选洗车设备
蒸汽喷抽洗车机是一种新型的汽车清洗设备,其使用蒸汽和喷抽技术进行汽车精洗,具有许多好处。以下是使用蒸汽喷抽洗车机进行汽车精洗的几个主要优点:蒸汽喷抽洗车机清洗汽车内饰1.高效清洗:蒸汽喷抽洗车机能够产生高温高压的蒸汽,能够快速溶解和去除汽车表面的污渍、油脂和虫迹。蒸汽的强力冲刷作用能够深入汽车的每一...
-
蒸汽喷抽洗车机:汽车后备箱清洗的得力助手
汽车后背箱是车主日常装载物品的重要空间,长时间的使用难免会使后背箱积累各种污渍和异味。为了保持汽车内部的整洁和卫生,定期的清洗是必不可少的。蒸汽喷抽洗车机作为一种高效、环保的清洗设备,已成为汽车后备箱清洗的理想选择。蒸汽喷抽洗车机清洗汽车后备箱一、蒸汽喷抽洗车机的工作原理蒸汽喷抽洗车机通过将水加热产...
-
干货|高低温交变试验箱的工作原理、应用领域及重要性
在科技日新月异的今天,各种产品的质量和性能面临着重要的挑战。为了确保产品在极端环境下的稳定性和可靠性,高低温交变试验箱成为了不可或缺的测试设备。本文将带您深入了解高低温交变试验箱的工作原理、应用领域以及其对产品质量的重要性。一、高低温交变试验箱的工作原理高低温交变试验箱是一种环境模拟设备,通过模拟高...
-
危险!车上这些灯亮要注意!
汽车仪表盘是汽车行驶状态最直观的表现警示灯一旦点亮就要格外当心为您总结了10种车辆警示灯当这些灯亮起的时候一定要重视这些符号代表什么意思你都知道吗?01机油报警灯机油报警灯亮时,则表示机油存量及压力低于标准值,如果车辆不停,会致使发动机失去润滑,导致严重的磨损。如果添加机油后故障灯仍未消除,请不要启...
-
阿尔斯通西安合资企业庆祝第30000台牵引电机下线
(能动Nengdong2024年3月29)阿尔斯通在华合资企业——西安阿尔斯通永济电气设备有限公司("XAYEECO")迎来了第30000台牵引电机的成功下线。未来,阿尔斯通将在现有基础上继续深耕中国市场,不断提升在华企业的自主研发能力,发展修造一体化的生产能力。2026年,XAYE...
-
实测还原真相 超声波加湿器竟成PM2.5根源?
实测还原真相超声波加湿器竟成根源?爆表它竟是罪魁祸首?在大部分北方人眼中,取暖季加湿器的地位丝毫不亚于空气净化器,除了污染,干燥的室内空气也让人难以忍受。不过和空气净化器不同,加湿器的价格远没有那么“高大上”,因此也成为更多人的选择,笔者也不例外。为了缓解室内干燥的情况,我在京东商城购买了一台售价2...
推荐资讯
最新资讯
热门资讯
-
![活性炭到底多少钱一吨?为什么有低价活性炭招标现象]()
活性炭到底多少钱一吨?为什么有低价活性炭招标现象
-
![pet打包带如何焊接呢?]()
pet打包带如何焊接呢?
- 行业洞察 | 母乳瓶喂了三个月,姐妹们要的吸奶器测评来啦
- 行业洞察 | 肾功能评估的重要指标--血肌酐检测的科学解读
- 行业洞察 | 活塞空压机与螺杆空压机性能对比
- 行业洞察 | 首批产业计量优秀成果公示
- 行业洞察 | 活性炭多少钱一吨?
- 行业洞察 | 福岛核污水处理后放射性物质锶90活度一度超标





