在电子电路中,晶闸管是一种非常重要的功率器件,被广泛应用于电子电器产品、工业控制及自动化生产领域。接下来我们一起了解一下晶闸管的特性及工作原理。

☞晶体闸流管简称晶闸管,也被称做可控硅整流元件,简称为可控硅!
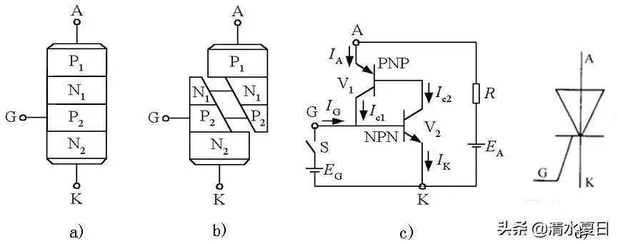
☞晶闸管是PNPN四层半导三个PN结构成的一种大功率半导体器件。它有三个极:阳极A,阴极K和门极G

☞晶闸管具有单向导电性
☞只有导通和关断两种状态
☞它是一种大功率开关型半导体器件,在电路中用文字符号为V、VT表示
晶闸管的工作原理晶闸管在工作过程中,需要在它的阴极K与阳极A连接上电源和负载,构成主控电路。其门极G和阴极K与控制晶闸管的装置连接,组成晶闸管的控制电路。

☞当晶闸管承受反向阳极电压,则晶闸管不工作,处于关断状态,也就是晶闸管的单向导电性原理。
☞当晶闸管承受正向阳极电压时,门极加正向电压时,晶闸管处于导通状态。
☞当晶闸管导通后,不论门极电压如何,晶闸管仍然处于导通状态。
☞当主回路电压(或电流)减小到接近于零时,晶闸管关断。
晶闸管的特性☞实际上,晶闸管是通过小电流实现高电压、大电流控制的功率器件。

☞具有反应速度快,能在微秒级内导通与关断。
☞效率高、成本低
晶闸管的应用主要用于可控整流器件、可控电子开关、逆变电路、变频等电子电路中。除此之外,还可以作为电动机驱动控制、电动机调速控制、电量通断的控制器。
在大功率UPS供电系统中,晶闸管被广泛应用在整流电路、静态旁路开关、无触点输出开关等电路中。












![[伤寒心法要诀]少阳病用柴胡汤加减法](/imgs/baidou-v2/upload/default/19F5C4CFC.jpg)







