一、超滤膜的使用
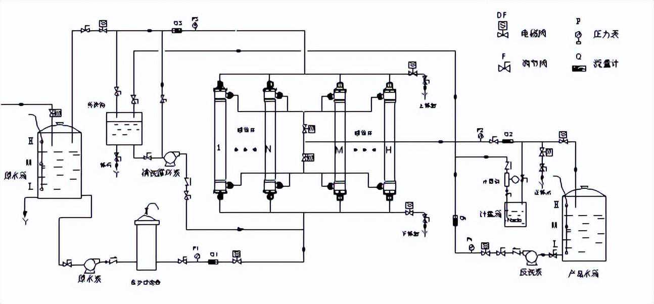
在实际应用中,超滤膜要填装在外壳形成超滤组件后才能达到实用性,而超滤组件通常又与水泵、阀门、水箱、管道等组成超滤系统才能正常使用。
1、超滤膜组件结构:

2、超滤系统

二、超滤系统的组成
超滤系统通常由超滤膜组件、水箱、原水泵、反洗泵、阀门、管道、监控仪表、控制系统组成。
各组成部件的功用:
1、水箱:中间水箱,对系统的进水或产水起到缓冲的作用。
2、原水泵:超滤膜是靠压力差为推动力进行过滤的,当原水的水压和流量不能满足过滤需求时,系统需要增加水泵来提升水压达到超滤进水的压力(0.1-0.3Mpa)和流量要求;原水泵的选型:根据超滤系统设计中所需要的进水工作压力,跨膜压差和通水流量,来选择泵的扬程和流量。一般选择水泵的扬程和流量应当等于或略大于设计供水量和工作压力,以满足超滤系统的正常运行
3、反洗泵:超滤膜运行一段时间(20-60分钟)后,膜管内壁和过滤微孔有微小颗粒杂质、胶体、微生物等附着和堵塞,造成水通量逐渐地下降,为了将这些污染物排出膜管,恢复超滤膜的水能量,比较有效的办法就是对超滤进行定期的反洗,反洗的水量要比正常产水时大2-3倍(200-300L/),这样才能最大程度地将污染物反洗出来,反洗泵就是起到此作用,
4、循环泵:对于进水浊度或悬浮物(SS)较高时,超滤膜采用错流过滤,而错流过滤又有内循环和外循环,当采用内循环时就需要有循环泵来实现内循环。
5、计量泵:当反洗需加药杀菌时,由计量泵从计量箱内定量吸取药剂泵入反洗水管道。
6、化学清洗泵,化学清洗泵的选择与反洗泵类似,但要注意泵体的材料要能耐化学试剂的溶解和腐蚀
7、阀门:为了实现对系统水路的通断、流量的大小、以及水路流向的切换,在系统管路上适当位置设置阀门,阀门分手动阀门和自动控制阀门,手动阀门分:球阀、碟阀、截止阀、调节阀、闸阀、减压阀等,自动阀有:电磁阀、气动碟阀、电动阀等。
8、监控仪表:监控系统各种运行参数的仪器仪表、传感器等,如压力表、流量计、浊度计、液位计、压力开关、温度计等
三、超滤系统的运行方式和工作流程为:
1、运行方式:死端过滤和错流过滤,当进水浊度小于5,SS小于5mg/l时,系统可采用死端过滤,这时系统能耗最低,回收率最高;否则,为了减少超滤膜的污染速率,系统最好采用错流过滤,使超滤的一部分进水从浓水口流出,将膜丝内壁截留的物质带走,同时加速膜丝内的液体流速,减少浓差极化,提高水通量。
对于大系统应具有自动转换功能,当进水浊度计检测到进不浊度超过15NTU时应能自动切换到错流过滤方式,具体的错流量应根据中试结果来确定。
2、工作流程:
20-60分钟20S30S20S1-4个月
正常过滤顺冲反洗等压冲洗定期的化学清洗
四、超滤系统的设计
1、设计的依据
原水水质、出水水质要求、系统出力、现有的水处理设施等。
2、超滤进水要求:
浊度小于15(如进水大于15,则需预处理,将浊度降到15以下。)
PH:2-12,水温:5-45°C
3、超滤系统的预处理:
由于超滤膜的内孔直径为0.9-1.2mm,为了防止膜内孔的堵塞和过快的水通量的下降,往往需要根据水质的情况进行预过滤,一般采用200-50um的过滤器来处理进水(建议使用1/6中空纤维的内空直径作为过滤精度),精密过滤器有袋式、线绕、喷熔、叠片式过滤器、砂滤、多介质过滤器等,叠片式过滤器有手动和自动冲洗两种,30吨以上设备建议采用全自动的叠片式过滤器。
4、膜组件的选型
选型主要依据原水的水质、系统的产水量和实际的安装情况,产水量小于10T/H,用4寸膜,10-20T/H,用6寸膜,20-40T/H,用8寸膜,40T/H以上用10寸膜
5、膜组件数量:根据原水水质确定过滤方式(错流过滤或死端过滤),然后对照系统设计导则确定单位面积水通量,n=Q/(L*S*R)Q为系统出水量,L为设计单位膜面积产水量,S为所选定的膜组件膜面积,R为系统产水回用率。
6、管道材质和管径的选择
管道材质有:UPVC管、ABS管、碳钢管、不锈钢管、镀锌管等。
管径根据流量来选择,流量越大管径越大,原则是管内流速在1.5-2.5m/s间,因为流速太高能耗增大,而且也容易产生水锤现象,对超滤膜、管道和阀门产生破坏。
7、标准工艺流程

五、超滤系统的控制
1、手动控制和自动控制,小系统可以用手动控制,大、中系统需自动控制。
2、自动控制单元分类:时间继电器、PLC、LOGO
3、系统运行方式的控制:恒流运行控制、恒压运行控制。大的系统为了使产水保持稳定,需要采用恒流运行控制,即通过设置在超滤产水口的流量传感器实时监测产水量,当产水量下降时通过PLC调高原水泵变频器的工作频率,达到提高进水压力来实现产水量的恒定。
恒压运行主要用于小系统,原水泵进水压力恒定,随着膜的堵塞,产水量也随着下降,但通过反洗反又可恢复。
4、大型系统运行时监控的参数:原水压力、浊度、流量、PH值,产水压、流量,浓水压力、流量,循环回水压力、流量,反洗压力、流量,药洗压力、流量、PH值,水箱液位。
5、自动控制参数:泵的启停、电磁阀或气动蝶阀的开闭、压差反洗、恒流供水、进出水浊度、进水压力、电机变频、高/低压停机保护等。
六、超滤的中试
1、中试的目的:由于超滤系统应用范围、进水水源和产水要求的差异性,因此应针对具体的应用要求进行试验,根据获得的实际数据来优化超滤系统的设计(如确定单位膜面积产水量,是否需要反洗加药、是否需要预处理以及预处理方法等)和运行参数(反洗频率、反洗时间、化学清洗频率、化学清洗药剂、错流量等),确保超滤系统的长期稳定运行。
当出现以下情况时则不能仅仅以本章设计导则的推荐参数或以往的经验值进行设计,必须以中试试验数据作为系统设计的基础:
1)无法了解进水的水质;
2)无法了解进水水质的波动情况;
3)特殊或新的应用领域;
4)特殊的产水水质要求;
5)极高的膜通量或系统回收率
6)大型超滤系统
1、中试步骤:
1)对水源进行全分析,如原水的浊度、SDI、SS、TDS、COD、BOD、PH、温度、细菌等;
2)使用试验机现场(一般做成1-5T/H的自动控制系统)测试;
3)形成中试记录表,主要记录:
A、进水压力、流量、温度、浊度、SDI,
B、产水压力、流量、浊度、SDI
C、浓水压力、流量;
D、反洗频率、时间、压力、流量,反洗前后的产水流量、压力的变化;
E、化学清洗频率、时间、压力、流量、药剂,清洗前后的产水流量、压力的变化。
4)超滤系统运行参数的优化
中试一般以10天为一个测试周期,根据超滤膜的设计参数进行第一个周期测试,完成后填写《运行参数记录表》第一列数据,根据第一列数据进行优化后再进行第二个测试周期测试。以此类推,一般应测试三个周期以上。以获得与进水水质相似的运行参数。
七、超滤系统的调试
1、调试步骤:
1)进水水质检查
进水水质的检查,重点是检查浊度,当浊度在系统现定值范围内方可将其输入超滤设备,其次是检查水中余氯、pH值。
2)系统检查
按工艺路线图,检查设备及连接是否正确,同时还要检查阀门的开启状态是否正确,清洗系统的连接是否正确,对于手动操作的系统要特别注意,开机时进水阀门不能全开,浓水阀门和产水阀门应全开,以避免开机时,压力过大,造成对超滤膜的冲击,而损坏设备。
3)仪表的检查
检验各仪表是否正常,尤其是压力表是否完好。
3.2启动
当作好开机前的准备工作后,可试启动系统即打开电源,启动泵后,立即停止,检查泵的叶轮转向是否正确,泵的运转有无异常噪音,当确认正常后,方可正式启动,启动后,应检查接口、管线有无渗漏,在自控程序运转的第一个周期内,应检验阀门的启闭是否正常,各种仪表是否运转正常。
3.3运行
系统在初投入使用时在满足产水量要求的情况下工作压力应取最小(0.05MPa),随着工作时间的延长,再逐渐升高工作压力至0.2MPa,应避免开始使用时即在0.2MPa下制水,这样可能会使膜元件产水量急剧下降,同时可延长超滤膜的使用寿命。
在运行时,应定时检查仪表是否正常,水泵有无异常噪音,产水水质是否符合要求,尤其要注意压力表和产水流量,当出现异常时,应立即停机检查,一般全自动控制设计时,均考虑到了系统的自我保护,一般出现异常会自动停车并报警。
运行过程中要按设计要求做好设备监控和记录工作。
运行过程中按设计要求定期对设备进行清洗和灭菌、消毒。
3.4停机
1)先降低系统压力和跨膜压差,然后停机。
当系统靠增压泵作为过滤动力源时,若准备停机,先开启浓水阀和超滤水阀门使系统压力和跨膜压差降到最低,然后切断电源关闭水泵。停泵后,将系统所有阀门关闭,使超滤膜保持湿润状态。
当系统采用管网本身的水压作为阀门过滤动力时,同样先降压,然后关闭进水阀,再关闭其他阀门,保持膜湿润。
2)当停机时间不超过7天时,可每天对设备进行10-30分钟的保护性运行,以使新鲜的水置换出设备内的存水
当设备长期停用时,应先对设备进行彻底的清洗和消毒,然后将膜保护剂和抑菌剂注入设备中,封闭好设备所有接口以保持膜的湿润,防止设备内滋生细菌和藻类。常用的保护剂配方是水:甘油:亚硫酸氢钠=69:30:1,保护剂的有效期一般为壹年。
2、调试注意事项
八、超滤膜的污染
1、超滤膜系统运行曲线图

2、超滤膜运行一段时间后超滤膜的水通量下降,跨膜压差增大,主要原因是浓差极化和膜的污染,浓差极化则可以通过提高流速和错流来降低,膜的污染则需要通过频繁地反洗和定期的化学清洗来清除,膜污染种类:微小颗粒堵塞微孔、有机物污染、微生物污染、胶体的污染。
九、超滤膜的清洗
1、清洗方法:正洗、反洗、化学清洗
2、正冲:将超滤膜内孔中的浓水排尽;
反洗:将膜内表面的污染物冲松散或剥落;
等压冲洗:将已松散或从膜内表面上剥落的被截留物冲出膜组件外,
,虽然定时的反洗能较好地维持膜性能的相对稳定,但反洗不能使通量达到100%的恢复。随着膜组件工作时间的延长,膜污染会不断加重。膜的透水速率会不断下降,为了恢复膜的通量,需要对膜组件进行化学清洗,化学清洗时应根据原水质中杂质的情况选择适合的化学药品。一般先用酸洗,再用碱洗:酸洗液一般采用2%的柠檬酸(PH=2),碱洗液为0.5%的NaOH/200ppmNaOCl(PH=12-5)
确定系统该何时化学清洗是由系统的运行状态决定的,当系统的胯膜压差达到0.15-0.2MPa时,系统就应该进行化学清洗了。清洗后,在系统设计的胯膜压差范围内系统的产水应达到原设计要求,否则应继续进行清洗和化学清洗或缩短化学清洗的间隔时间。调整反洗的频率及反洗运行时间。




















