阀门是输送流体系统中的控制部件,具有截止、调节、导流、防止逆流、稳压、分流或溢流泄压等功能。
根据功能不同,可以把阀门分为以下几类:
1、根据其用途分(手动调节阀):
1.1、闸阀
闸阀的启闭件是闸板,闸板的运动方向与流体方向相垂直,闸阀只能作全开和全关,不能作调节和节流。
广泛用于自来水、污水、建筑、石油、化工、食品、医药、轻纺、电力、船舶、冶金、能源系统等管线,作为调节和截流装置使用。
优点:
流动阻力小;
启闭时较省力;
高度大,启闭时间长;
水锤现象不易产生;
介质可向两侧任意方向流动,易于安装;
结构长度较小;
形体简单,结构长度短,制造工艺性好,适用范围广;
结构紧凑,阀门刚性好,通道流畅,流阻数小,密封面采用不锈钢和硬质合金,使用寿命长;
缺点:
密封面之间易引起冲蚀和擦伤,维修比较困难;
一般闸阀普遍存在着漏水或生锈现象;

闸阀示意图
1.2、截止阀
截止阀的启闭件是塞形的阀瓣,密封面呈平面或锥面,阀瓣沿阀座的中心线作直线运动。阀杆的运动形式,(通用名称:暗杆),也有升降旋转杆式,(通用名称:明杆)截止阀是指关闭件(阀瓣)沿阀座中心线移动的阀门。
这种类型的截流截止阀阀门非常适合作为切断或调节以及节流用。
优点:
结构简单,制造和维修比较方便;
工作行程小,启闭时间短;
密封性好,密封面间磨擦力小,寿命较长;
截止阀阀体的结构形式有直通式、直流式和直角式。直通式是最常见的结构,但其流体的阻力最大。直流式流体阻力较小,多用于含固体颗粒或粘度大的流体。直角式阀体多采用锻造,适用于较小通径、较高压力的截止阀;
在开闭过程中密封面的摩擦力比闸阀小,耐磨;
通常只有一个密封面,制造工艺好,便于维修。
缺点:
流体阻力大,开启和关闭时所需力较大;
不适用于带颗粒、粘度较大、易结焦的介质;
调节性能较差。

截止阀的剖面图

截止阀的外形图
1.3、球阀
球阀在管路中主要用来做切断、分配和改变介质的流动方向,它只需要用旋转90度的操作和很小的转动力矩就能关闭严密。
具有耐磨、密封性能好、开关轻、长寿命,可广泛用于石油、化工、发电、原子能、航空、火箭等部门,且深入广大人民的生活中。

球阀剖面图及外形图
1.4、旋塞阀
旋塞阀是关闭件成柱塞形的旋转阀,通过旋转90度使阀塞上的通道口与阀体上的通道口相通或分开,实现开启或关闭的一种阀门。
应用于油田开采、输送和精炼设备中,同时也广泛用于石油化工、化工、煤气、天然气、液化石油气、暖通行业以及一般工业中。
优点:
旋塞阀用于经常操作,启闭迅速、轻便;
旋塞阀流体阻力小;
旋塞阀结构简单,相对体积小,重量轻,便于维修;
密封性能好;
不受安装方向的限制,介质的流向可任意;
无振动,噪声小。
缺点:
普通旋塞阀靠精加工的金属塞体与阀体间的直接接触来密封,所以密封性较差,启闭力大,容易磨损,通常只能用于低(不高于1兆帕)和小口径(小于100毫米)的场合。

旋塞阀示意图
1.5、蝶阀
蝶阀又叫翻板阀,是一种结构简单的调节阀,可用于低压管道介质的开关控制的蝶阀是指关闭件(阀瓣或蝶板)为圆盘,围绕阀轴旋转来达到开启与关闭的一种阀。
阀门可用于控制空气、水、蒸汽、各种腐蚀性介质、泥浆、油品、液态金属和放射性介质等各种类型流体的流动。在管道上主要起切断和节流作用。蝶阀启闭件是一个圆盘形的蝶板,在阀体内绕其自身的轴线旋转,从而达到启闭或调节的目的。
优点:
启闭方便迅速、省力、流体阻力小,可以经常操作;
结构简单,外形尺寸小,结构长度短,体积小,重量轻,适用于大口径的阀门;
可以运送泥浆,在管道口积存液体最少;
低压下,可以实现良好的密封;
调节性能好;
全开时阀座通道有效流通面积较大,流体阻力较小;
启闭力矩较小,由于转轴两侧蝶板受介质作用基本相等,而产生转矩的方向相反,因而启闭较省力;
密封面材料一般采用橡胶、塑料、低压密封性能好;
安装方便;
操作灵活省力,可选择手动、电动、气动、液压方式。
缺点:
使用压力和工作温度范围小;
密封性较差。

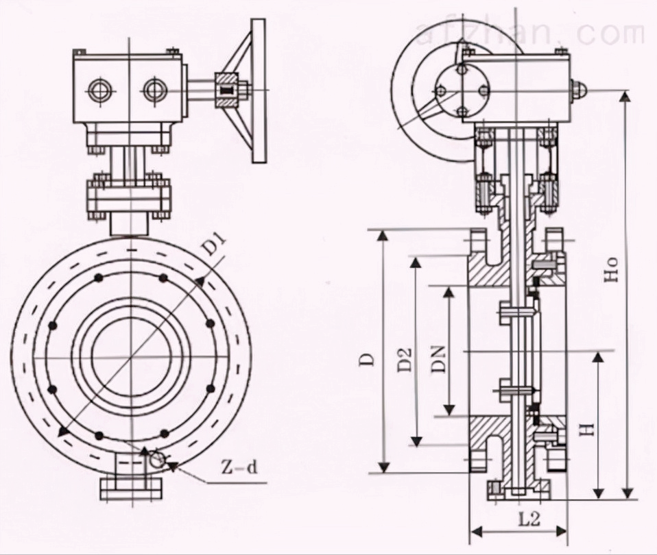
蝶阀的剖面图

蝶阀的外形图
1.6、止逆阀:
止回阀是指启闭件为圆形阀瓣并靠自身重量及介质压力产生动作来阻断介质倒流的一种阀门。
按结构划分,可分为升降式止回阀、旋启式止回阀和蝶式止回阀三种:
升降式止回阀分为立式和卧式两种;
旋启式止回阀分为单瓣式、双瓣式和多瓣式三种;
蝶式止回阀为直通式。

止回阀结构示意图
2、具有调节压力及流量功能
2.1、调节阀
2.1.1、电动调节阀
由电动执行机构和调节阀连接组合后经过机械连接装配、调试安装构成电动调节阀。

电动调节阀外形图
2.1.2、气动调节阀
以压缩气体为动力源,以气缸为执行器,并借助于阀门定位器、转换器、电磁阀、保位阀、储气罐、气体过滤器等附件去驱动阀门,实现开关量或比例式调节,接收工业自动化控制系统的控制信号来完成调节管道介质的:流量、压力、温度、液位等各种工艺过程参数。气动调节阀的特点就是控制简单,反应快速,且本质安全,不需另外再采取防爆措施。

气动调节阀外形图
2.1.3、液动调节阀
液动阀门是管路流体输送系统中控制部件,它是用来改变通路断面和介质流动方向,具有导流、截止、调节、节流、止回、分流或溢流卸压等功能。

2.2、减压阀
减压阀是通过调节,将进口压力减至某一需要的出口压力,并依靠介质本身的能量,使出口压力自动保持稳定的阀门。

减压阀外形图
2.3、节流阀
节流阀是通过改变节流截面或节流长度以控制流体流量的阀门。

节流阀剖面图1

节流阀剖面图2
2.4、平衡阀
平衡阀是一种特殊功能的阀门,阀门本身无特殊之处,只在于使用功能和场所有区别。

平衡阀示意图
3、用于安全考虑
3.1、安全阀
安全阀是启闭件受外力作用下处于常闭状态,当设备或管道内的介质压力升高超过规定值时,通过向系统外排放介质来防止管道或设备内介质压力超过规定数值的特殊阀门。安全阀属于自动阀类,主要用于锅炉、压力容器和管道上,控制压力不超过规定值,对人身安全和设备运行起重要保护作用。安全阀必须经过压力试验才能使用。

安全阀剖面图

安全阀外形图
3.2、溢流阀
溢流阀是一种液压压力控制阀,在液压设备中主要起定压溢流,稳压,系统卸荷和安全保护作用。溢流阀在装配或使用中,由于O形密封圈、组合密封圈的损坏,或者安装螺钉、管接头的松动,都可能造成不应有的外泄漏。

溢流阀示意图
4、用于特殊用途
4.1、蒸汽疏水阀
蒸汽疏水阀(简称疏水阀)的作用是自动排除加热设备或蒸汽管道中的蒸汽凝结水及空气等不凝气体,且不漏出蒸汽。由于疏水阀具有阻汽排水的作用,可使蒸汽加热设备均匀给热,充分利用蒸汽潜热防止蒸汽管道中发生水锤。

蒸汽疏水阀
4.2、空气疏水阀
空气疏水阀是用于气体管网及设备中,能自动排出凝结水、空气及其它不凝结气体,并阻止气体泄漏的阀门。

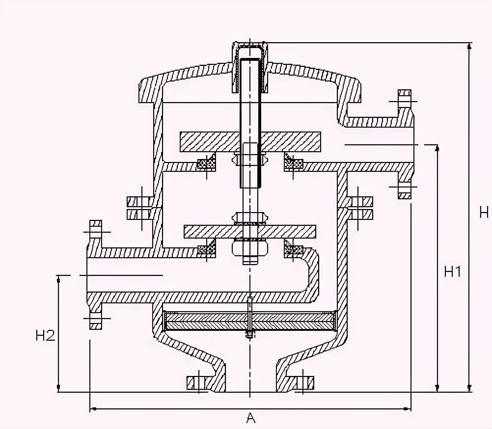
空气疏水阀剖面图

空气疏水阀外形图
4.3、排污阀
快速排污阀,指的是由闸门演变而来的,利用齿轮旋转90度带动阀杆提升实现开启和关闭的目的。快速排污阀不仅结构简单、密封性好,而且体积小、重量轻、材料耗用少、安装尺寸小,特别是驱动力矩小,操作简便,易实现快速启闭。

快速排污阀示意图
4.4、放空阀
放空应用是在联合循环电厂中最重要的一个应用程序。这些阀门必须在运行刚开始时将余热锅炉的主蒸汽绕过汽轮机排放到大气中,以确保机组温度不会上升太快。这样做是因为过程管线在允许蒸汽通过汽机旁路阀倾泻到冷凝器之前,已经热起来了。

放空阀示意图
4.5、呼吸阀
呼吸阀由压力阀和真空阀组成,安装于货油舱透气管上,能随货油舱内油气正负压变化而自动启闭,使货油舱内外气压差保持在允许值范围内的阀。

呼吸阀剖面图

呼吸阀外形图
4.6、排渣阀
排渣阀适用于公称1.6到压力6.4兆帕,工作温度零摄氏度到一百摄氏度的火力电站水利系统及水利工程的灰浆排放系统管路上,切断或接通管路中灰水混合物,渣水混合物。

排渣阀示意图
4.7、温度调节阀
温度调节阀最大的特点是只需普通220V电源,利用被调介质自身能量,直接对蒸汽、热水、热油与气体等介质的温度实行自动调节和控制,亦可使用在防止对过热或热交换场合,该阀结构简单,操作方便,选用调温范围广、响应时间快、密封性能可靠,并可在运行中随意进行调节,因而广泛应用于化工、石油、食品、轻纺、宾馆与饭店等部门的热水供应。

温度调节阀示意图
5、按所处环境的压力
5.1真空阀:小于标准大气压
5.2低压阀门:小于1.6兆帕
5.3中压阀门:2.5兆帕至6.4兆帕
5.4高压阀门:10兆帕至80兆帕
5.5超高压阀门:大于100兆帕
6、按所处环境的温度
6.1超低温阀门:小于负100℃
6.2低温阀:大于负100℃小于负40℃
6.3常温阀:大于负40℃小于120℃
6.4中温阀:大于120℃小于450℃
6.5高温阀:大于450℃





















