零基础学电子电路之三端稳压器介绍及应用
在介绍三端稳压器之前有必要了解一下集成稳压器,集成稳压器也叫集成稳压电路,就是把不稳定的直流电转换成稳定的直流电的集成电路(之前是用分立件组成的稳压电路)
随着电子技术的迅速发展,集成稳压电源运用越来越普及,其中小功率的稳压电源以三端式串联型稳压器应用最为普遍。
三端集成稳压器:将串联稳压电源和保护电路集成在一起就是集成稳压器。
集成稳压器有:输入端、输出端和公共端,称三端集成稳压器。
温馨提示:要特别注意,不同型号,不同封装的集成稳压器,它们三个电极的位置是不同的,要查资料确定,如果有需要,我也可以提供分享给大家。
应用电路:
三端固定输出集成稳压器的典型应用电路如图所示
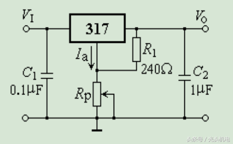
三端可调输出集成稳压器的典型应用电路如图所示。
可调输出三端集成稳压器的内部,在输出端和公共端之间的参考源,因此输出电压可通过电位器调节。
利用三端集成稳压器组成恒流源:
1,小电流恒流源
2,稳压器做恒流源
3,可调稳压器做恒流源(大电流)




















