纹波
纹波:是附着于直流电平之上的包含周期性与随机性成分的杂波信号。指在额定输出电压、电流的情况下,输出电压中的交流电压的峰值。狭义上的纹波电压,是指输出直流电压中含有的工频交流成分。
噪声
噪声:对于电子线路中所标称的噪声,可以概括地认为,它是对目的信号以外的所有信号的一个总称。最初人们把造成收音机这类音响设备所发出噪声的那些电子信号,称为噪声。但是,一些非目的的电子信号对电子线路造成的后果并非都和声音有关,因而,后来人们逐步扩大了噪声概念。例如,把造成视屏幕有白斑条纹的那些电子信号也称为噪声。可能以说,电路中除目的的信号以外的一切信号,不管它对电路是否造成影响,都可称为噪声。例如,电源电压中的纹波或自激振荡,可对电路造成不良影响,使音响装置发出交流声或导致电路误动作,但有时也许并不导致上述后果。对于这种纹波或振荡,都应称为电路的一种噪声。又有某一频率的无线电波信号,对需要接收这种信号的接收机来讲,它是正常的目的信号,而对另一接收机它就是一种非目的信号,即是噪声。在电子学中常使用干扰这个术语,有时会与噪声的概念相混淆,其实,是有区别的。噪声是一种电子信号,而干扰是指的某种效应,是由于噪声原因对电路造成的一种不良反应。而电路中存在着噪声,却不一定就有干扰。在数字电路中。往往可以用示波器观察到在正常的脉冲信号上混有一些小的尖峰脉冲是所不期望的,而是一种噪声。但由于电路特性关系,这些小尖峰脉冲还不致于使数字电路的逻辑受到影响而发生混乱,所以可以认为是没有干扰。
当一个噪声电压大到足以使电路受到干扰时,该噪声电压就称为干扰电压。而一个电路或一个器件,当它还能保持正常工作时所加的最大噪声电压,称为该电路或器件的抗干扰容限或抗扰度。一般说来,噪声很难消除,但可以设法降低噪声的强度或提高电路的抗扰度,以使噪声不致于形成干扰。
谐波
谐波:是指电流中所含有的频率为基波的整数倍的电量,一般是指对周期性的非正弦电量进行傅里叶级数分解,其余大于基波频率的电流产生的电量。从广义上讲,由于交流电网有效分量为工频单一频率,因此任何与工频频率不同的成分都可以称之为谐波。
谐波产生的原因:由于正弦电压加压于非线性负载,当电流流经负载时,与所加的电压不呈线性关系,基波电流发生畸变就形成非正弦电流,即电路中有谐波产生。主要非线性负载有UPS、开关电源、整流器、变频器、逆变器等。
下面主要讲解开关电源中的纹波和噪声
开关电源(包括AC/DC转换器、DC/DC转换器、AC/DC模块和DC/DC模块)与线性电源相比较,最突出的优点是转换效率高,一般可达80%~85%,高的可达90%~97%;其次,开关电源采用高频变压器替代了笨重的工频变压器,不仅重量减轻,体积也减小了,因此应用范围越来越广。但开关电源的缺点是由于其开关管工作于高频开关状态,输出的纹波和噪声电压较大,一般为输出电压的1%左右(低的为输出电压的0.5%左右),最好产品的纹波和噪声电压也有几十mV;而线性电源的调整管工作于线性状态,无纹波电压,输出的噪声电压也较小,其单位是μV。
简单地介绍开关电源产生纹波和噪声的原因和测量方法、测量装置、测量标准及减小纹波和噪声的措施。
纹波和噪声产生的原因
开关电源输出的不是纯正的直流电压,里面有些交流成分,这就是纹波和噪声造成的。纹波是输出直流电压的波动,与开关电源的开关动作有关。每一个开、关过程,电能从输入端被“泵到”输出端,形成一个充电和放电的过程,从而造成输出电压的波动,波动频率与开关的频率相同。纹波电压是纹波的波峰与波谷之间的峰峰值,其大小与开关电源的输入电容和输出电容的容量及品质有关。
噪声的产生原因有两种,一种是开关电源自身产生的;另一种是外界电磁场的干扰(EMI),它能通过辐射进入开关电源或者通过电源线输入开关电源。
开关电源自身产生的噪声是一种高频的脉冲串,由发生在开关导通与截止瞬间产生的尖脉冲所造成,也称为开关噪声。噪声脉冲串的频率比开关频率高得多,噪声电压是其峰峰值。噪声电压的振幅很大程度上与开关电源的拓扑、电路中的寄生状态及PCB的设计有关。
利用示波器可以看到纹波和噪声的波形,如图1所示。纹波的频率与开关管频率相同,而噪声的频率是开关管的两倍。纹波电压的峰峰值和噪声电压的峰峰值之和就是纹波和噪声电压,其单位是mVp-p。

图1纹波和噪声的波形
纹波和噪声的测量方法
纹波和噪声电压是开关电源的主要性能参数之一,因此如何精准测量是一个十分重要问题。目前测量纹波和噪声电压是利用宽频带示波器来测量的方法,它能精准地测出纹波和噪声电压值。
由于开关电源的品种繁多(有不同的拓扑、工作频率、输出功率、不同的技术要求等),但是各生产厂家都采用示波器测量法,仅测量装置上不完全相同,因此各厂对不同开关电源的测量都有自己的标准,即企业标准。
用示波器测量纹波和噪声的装置的框图如图2所示。它由被测开关电源、负载、示波器及测量连线组成。有的测量装置中还焊上电感或电容、电阻等元件。

图2示波器测量框图
从图2来看,似乎与其他测波形电路没有什么区别,但实际上要求不同。测纹波和噪声电压的要求如下:
●要防止环境的电磁场干扰(EMI)侵入,使输出的噪声电压不受EMI的影响;
●要防止负载电路中可能产生的EMI干扰;
●对小型开关型模块电源,由于内部无输出电容或输出电容较小,所以在测量时要加上适当的输出电容。
为满足第1条要求,测量连线应尽量短,并采用双绞线(消除共模噪声干扰)或同轴电缆;一般的示波器探头不能用,需用专用示波器探头;并且测量点应在电源输出端上,若测量点在负载上则会造成极大的测量误差。为满足第2点,负载应采用阻性假负载。
经常有这样的情况发生,用户买回的开关电源或模块电源,在测量纹波和噪声这一性能指标时,发现与产品技术规格上的指标不符,大大地超过技术规格上的性能指标要求,这往往是用户的测量装置不合适,测量的方法(测量点的选择)不合适或采用通用的测量探头所致
双绞线测量装置
双绞线测量装置如图3所示。采用300mm(12英寸)长、#16AWG线规组成的双绞线与被测开关电源的+OUT及-OUT连接,在+OUT与-OUT之间接上阻性假负载。在双绞线末端接一个4TμF电解电容(钽电容)后输入带宽为50MHz(有的企业标准为20MHz)的示波器。在测量点连接时,一端要接在+OUT上,另一端接到地平面端。

图3双绞线测量装置
这里要注意的是,双绞线接地线的末端要尽量的短,夹在探头的地线环上。
平行线测量装置
平行线测量装置如图4所示。图4中,C1是多层陶瓷电容(MLCC),容量为1μF,C2是钽电解电容,容量是10μF。两条平行铜箔带的电压降之和小于输出电压值的2%。该测量方法的优点是与实际工作环境比较接近,缺点是较容易捡拾EMI干扰。

图4平行线测量装置专用示波器探头
图5所示为一种专用示波器探头直接与波测电源靠接。专用示波器探头上有个地线环,其探头的尖端接触电源输出正极,地线环接触电源的负极(GND),接触要可靠。

图5示波器探头的接法
这里顺便提出,不能采用示波器的通用探头,因为通用示波器探头的地线不屏蔽且较长,容易捡拾外界电磁场的干扰,造成较大的噪声输出,虚线面积越大,受干扰的影响越大,如图6所示。

图6通用探头易造成干扰
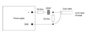
同轴电缆测量装置
这里介绍两种同轴电缆测量装置。图7是在被测电源的输出端接R、C电路后经输入同轴电缆(50Ω)后接示波器的AC输入端;图8是同轴电缆直接接电源输出端,在同轴电缆的两端串接1个0.68μF陶瓷电容及1个47Ω/1w碳膜电阻后接入示波器。T形BNC连接器和电容电阻的连接如图9所示。

图7同轴电缆测量装置1

图8同轴电缆测量装置2

图9T形BNC连接器和电容电阻的连接纹波和噪声的测量标准
以上介绍了多种测量装置,同一个被测电源若采用不同的测量装置,其测量的结果是不相同的,若能采用一样的标准测量装置来测,则测量的结果才有可比性。

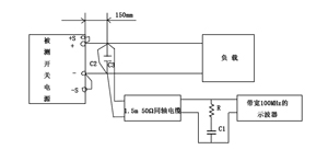
图10测量标准的测量装置
国家标准规定在被测电源输出正、负端小于150mm处并联两个电容C2及C3,C2为22μF电解电容,C3为0.47μF薄膜电容。在这两个电容的连接端接负载及不超过1.5m长的50Ω同轴电缆,同轴电缆的另一端连接一个50Ω的电阻R和串接一个4700pF的电容C1后接入示波器,示波器的带宽为100MHz。同轴电缆的两端连接线应尽可能地短,以防止捡拾辐射的噪声。另外,连接负载的线若越长,则测出的纹波和噪声电压越大,在这情况下有必要连接C2及C3。若示波器探头的地线太长,则纹波和噪声的测量不可能精确。
另外,测试应在温室条件下,被测电源应输入正常的电压,输出额定电压及额定负载电流。
减小纹波和噪声电压的措施
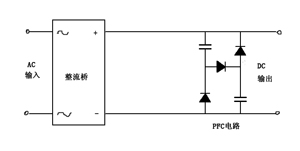
开关电源除开关噪声外,在AC/DC转换器中输入的市电经全波整流及电容滤波,电流波形为脉冲,如图11所示(图a是全波整流、滤波电路,b是电压及电流波形)。电流波形中有高次谐波,它会增加噪声输出。良好的开关电源(AC/DC转换器)在电路增加了功率因数校正(PFC)电路,使输出电流近似正弦波,降低高次谐波,功率因数提高到0.95左右,减小了对电网的污染。电路图如图12所示。

图11开关电源整流波形

图12开关电源PFC电路
开关电源或模块的输出纹波和噪声电压的大小与其电源的拓扑,各部分电路的设计及PCB设计有关。例如,采用多相输出结构,可有效地降低纹波输出。现在的开关电源的开关频率越来越高;低的是几十kHz,一般是几百kHz,而高的可达1MHz以上。因此产生的纹波电压及噪声电压的频率都很高,要减小纹波和噪声最简单的办法是在电源电路中加无源低通滤波器。
减少EMI的措施
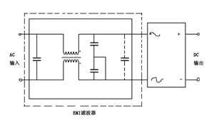
可以采用金属外壳做屏蔽减小外界电磁场辐射干扰。为减少从电源线输入的电磁干扰,在电源输入端加EMI滤波器,如图13所示(EMI滤波器也称为电源滤波器)。

图13开关电源加EMI滤波
在输出端采用高频性能好、ESR低的电容
采用高分子聚合物固态电解质的铝或钽电解电容作输出电容是最佳的,其特点是尺寸小而电容量大,高频下ESR阻抗低,允许纹波电流大。它最适用于高效率、低电压、大电流降压式DC/DC转换器及DC/DC模块电源作输出电容。例如,一种高分子聚合物钽固态电解电容为68μF,其在20℃、100kHz时的等效串联电阻(ESR)最大值为25mΩ,最大的允许纹波电流(在100kHz时)为2400mArms,其尺寸为:7.3mm(长)×4.3mm(宽)×1.8mm(高),其型号为10TPE68M(贴片或封装)。
纹波电压ΔVOUT为:
ΔVOUT=ΔIOUT×ESR(1)
若ΔIOUT=0.5A,ESR=25mΩ,则ΔVOUT=12.5mV。
若采用普通的铝电解电容作输出电容,额定电压10V、额定电容量100μF,在20℃、120Hz时的等效串联电阻为5.0Ω,最大纹波电流为70mA。它只能工作于10kHz左右,无法在高频(100kHz以上的频率)下工作,再增加电容量也无效,因为超过10kHz时,它已成电感特性了。
某些开关频率在100kHz到几百kHz之间的电源,采用多层陶电容(MLCC)或钽电解电容作输出电容的效果也不错,其价位要比高分子聚合物固态电解质电容要低得多。
采用与产品系统的频率同步
为减小输出噪声,电源的开关频率应与系统中的频率同步,即开关电源采用外同步输入系统的频率,使开关的频率与系统的频率相同。
避免多个模块电源之间相互干扰
在同一块PCB上可能有多个模块电源一起工作。若模块电源是不屏蔽的、并且靠的很近,则可能相互干扰使输出噪声电压增加。为避免这种相互干扰可采用屏蔽措施或将其适当远离,减少其相互影响的干扰。
增加LC滤波器
为减小模块电源的纹波和噪声,可以在DC/DC模块的输入和输出端加LC滤波器,如图14所示。图14左图是单输出,图14右图是双输出。

图14在DC/DC模块中加入LC滤波器
在表1及表2中列出1WDC/DC模块的VIN端和VOUT端在不同输出电压时的电容值。要注意的是,电容量不能过大而造起动问题,LC的谐振频率必须与开关频率要错开以避免相互干扰,L采用μH极的,其直流电阻要低,以免影响输出电压精度。


表1和表2增加LDO
在开关电源或模块电源输出后再加一个低压差线性稳压器(LDO)能大幅度地降低输出噪声,以满足对噪声特别有要求的电路需要(见图15),输出噪声可达μV级。

图15在电源中加入LDO
由于LDO的压差(输入与输出电压的差值)仅几百mV,则在开关电源的输出略高于LDO几百mV就可以输出标准电压了,并且其损耗也不大。
增加有源EMI滤波器及有源输出纹波衰减器
有源EMI滤波器可在150kHz~30MHz间衰减共模和差模噪声,并且对衰减低频噪声特别有效。在250kHz时,可衰减60dB共模噪声及80dB差模噪声,在满载时效率可达99%。
输出纹波衰减器可在1~500kHz范围内减低电源输出纹波和噪声30dB以上,并且能改善动态响应及减小输出电容。
很多人在测试纹波和噪声时往往会出现上百mv,或者几百mv,远远比说明书提供的纹波值大很多,这主要是测试方法不正确造成的。造成对纹波测试的几点误区。
误区一:测试带宽的选择,带宽越大测试越准确
这种认为是不正确的。输出纹波的频率和电源的开关频率相同,而开关频率目前一般从几十KHZ到几MHZ,另外由开关器件所造成的干扰也小于20MHZ,带宽限制在20MHZ,也是避免外界的高频噪声影响纹波的测试。一般情况下,模块使用说明书都会提到该模块在测试纹波时所选用的示波器测试带宽。通常没有特殊说明,纹波测试的带宽一般设定为20MHZ。目前市面上的示波器都有20MHZ带宽限制功能。
误区二:测试方法的选择
测试方法的选择在目前是存在较大争议的,同一个模块采用不同的测试方法会得到不同的结果。目前行业内普遍流行的有靠测法、双绞线法、平行线法、50欧同轴电缆测试四种方法,其目的只有一个,就是真实客观的测试模块的输出纹波。而用户在使用中因为种种客观因素一般采用的是甩线法,就是拿示波器探头、地线夹直接接在模块的输出管脚测试,这种方法不能说不正确,但会对测试结果带来很大的不同,一般可达到上百或者几百毫伏的纹波。
示波器探头的地线长度约13cm,自身电感约为80nH,共模电流会在地线夹子上产生一定量不可忽略的尖峰电压。在实际测试时,地线夹通常会以环形出现,所以很容易接收到空间辐射。测试端子和地线夹构成的环路就像天线一样在工作,地线环的面积越大,开关过程中获取的噪声就越大,影响到纹波的正确测试。为减小地线夹过长所造成的影响,探头应该直接靠在输出管脚两端,这样信号和地相连处的地线环面积就很小了,这就是靠测法。测试时去掉示波器探头的地线夹和探头帽子,直接靠在输出管脚上进行测试,如果输出管脚间距稍大,示波器探头不能直接靠上,可以用自制地线环进行测试,如下图所示。


(左)使用地线夹直接测试(右)采用靠测法测试
对于一些需要低纹波输出的特定场合,需要采取特定的设计方案,采用甩线法测试也能得到比较小的纹波。西安伟京电子制造有限公司推出了两款输入16VDC—40VDC,输出5VDC、12VDC、15VDC、±5VDC、±12VDC、±15VDC六种输出电压,输出功率15W,内置输入滤波器输出低纹波的高可靠军用电源模块,一种采用全金属气密性封装,一种采用优良导热灌封胶的五面体金属结构,两种模块采用甩线法测试20MHZ带宽,纹波在20—50mv,并且该模块不用外加滤波器可以通过GJB151-97中CE102的要求。
最后,做一个小调查,欢迎投票并留言!


干货|详解168个开关电源专业术语
干货|如何做好PCB层设计才能让PCB的EMC效果最优?





















