在进行变电站蓄电池组核容试验时,为保证变电站内直流负荷的供电,一般需要使用临时蓄电池组替代运行,否则只能进行蓄电池组50%放电试验。作者介绍了三种蓄电池组50%放电试验接线方案,并讨论了这三种方案的试验注意事项及各自优缺点。

在110kV及以下的变电站内一般只配置一组蓄电池,在进行蓄电池组的核容试验时,为保证直流充电机交流失电时变电站内重要二次设备的供电,一般需要使用临时蓄电池组替代运行,否则依据电力规程只允许放出蓄电池组50%的额定容量,即进行50%放电试验。但是规程中并未对50%放电试验的标准及试验方法作出表述。本文讨论三种50%放电试验方案的原理及注意事项,对比分析这三种试验接线方案的优缺点,并给出具体应用条件建议。
1试验方案原理及注意事项1.1半放电试验方案1
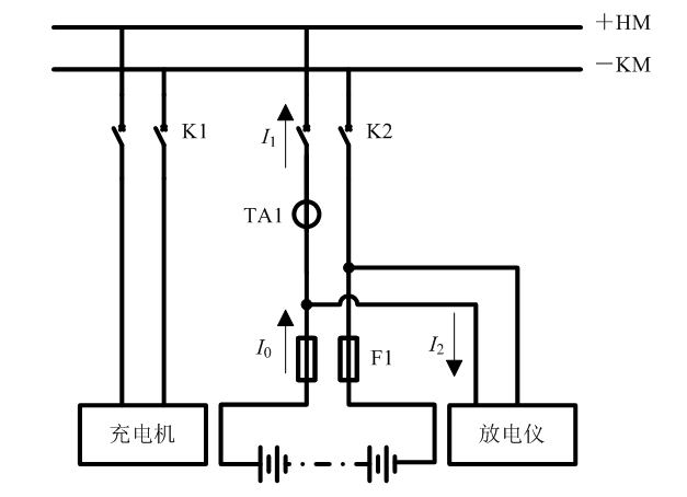
方案原理:直流充电机输出开关K1断开,蓄电池组输出开关K2闭合,放电仪作为蓄电池组的负荷并联在蓄电池组熔断保险F1上端。其接线原理如图1所示。

图1方案1接线原理
放电试验时蓄电池放电电流等于站内负荷电流I1与放电仪放电电流I2之和,即I0=I1+I2。
试验注意事项:(1)放电时,需要随时观察站内负荷电流I1,同时调整放电仪中流过的放电电流I2,使得I0=I1+I2=1.0I10,I10为10小时率放电电流;(2)如果蓄电池组端电压突然下降,应立即停止放电试验并恢复直流充电机的输出,然后将该蓄电池组从系统中隔离出来进行检查。
1.2半放电试验方案2
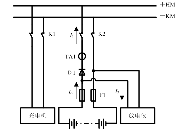
方案原理:直流充电机输出开关K1闭合,蓄电池组输出开关K2闭合,在蓄电池组熔断保险F1与K2之间串联一只整流二极管D1,放电仪并联于F1与D1之间。其接线原理如图2所示。

图2方案2接线原理
放电时蓄电池组端电压低于直流母线电压,整流二极管处于反向偏置状态,蓄电池组站内负荷电流I1=0,于是蓄电池放电电流等于放电仪放电电流,即I0=I2。
试验注意事项:
(1)整流二极管的反向耐压至少应大于直流母线的最高电压;
(2)整流二极管可串接在+HM或-KM,串接时需要取下对应侧的蓄电池组保险,将该保险与整流二极管串联后再接回到原回路中,串联应注意整流二极管的极性,保证蓄电池组放电时整流二极管处于反向偏置;
(3)串接整流二极管前应检验整流二极管是否完好,检验方式最好采用正向通流及反向加压的方式,确实无条件的情况下也必须用万用表进行检验;
(4)放电时应观察蓄电池组负荷电流表I1是否为0,否则应该停止放电并进行检查;
(5)如果蓄电池组端电压突然下降,应立即停止放电试验,并将该蓄电池组从系统中隔离出来进行检查。
1.3半放电试验方案3
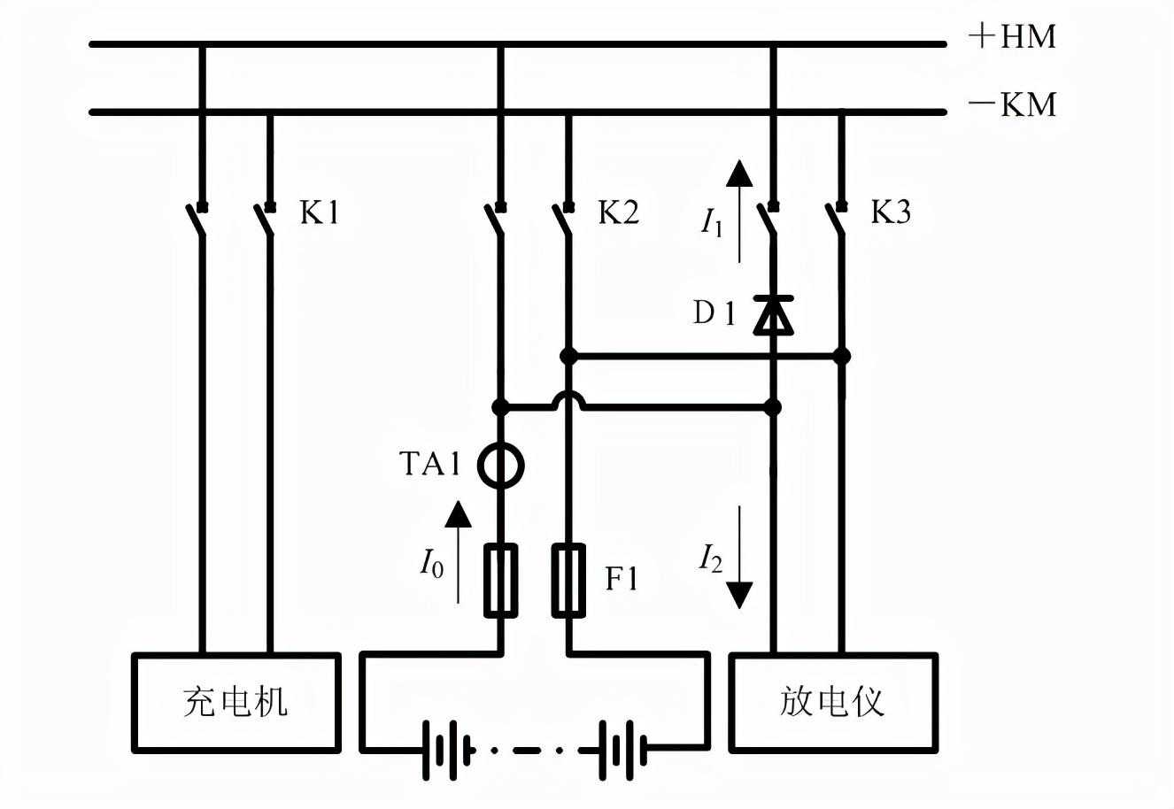
方案原理:直流充电机输出开关K1闭合,蓄电池组输出开关K2断开,在蓄电池组负荷电流表TA1上端串接一只整流二极管D1及一只大容量直流空开K3后连接至直流母排,放电仪并联在TA1上端。其接线如图3所示。

图3方案3接线原理
放电时蓄电池组端电压低于直流母线电压,整流二极管处于反向偏置状态,蓄电池组站内负荷电流I1=0,于是蓄电池放电电流等于放电仪放电电流,即I0=I2。
试验注意事项:(1)串接时应注意整流二极管的极性,保证蓄电池组放电时整流二极管处于反向偏置状态;(2)串接接整流二极管前应检验整流二极管是否完好,检验方式最好采用正向通流及反向加压的方式,确实无条件的情况下也必须万用表进行检验;(3)放电过程中应观察蓄电池组放电电流I0是否等于放电仪放电电流I2,若不相等,则应停止放电并进行检查;(4)如果蓄电池组端电压突然下降,应立即停止放电试验,并将该蓄电池组从系统中隔离出来进行检查。
2试验方案对比分析2.1方案1优缺点
优点:接线简单,蓄电池组充放电转换操作方便,适应性广。
缺点:(1)无充电机直流输出,当蓄电池组端电压突然下降时会引起直流母线失压;(2)需人为的根据站内负荷变化调整放电仪的放电电流以满足恒流放电要求,不能充分利用放电仪的自动恒流放电功能。
2.2方案2优缺点
优点:(1)不关闭直流充电机输出,因此蓄电池组端电压突然下降时不会引起直流母线失压;(2)充电机交流电源失电时,蓄电池组能通过整流二极管D1为站内负荷供电。
缺点:接线相对复杂,需要增加整流二极管,蓄电池组充放电转换操作复杂。
2.3方案3优缺点
优点:(1)蓄电池组充放电转换操作简单;(2)不关闭直流充电机输出,因此蓄电池组端电压突然下降时不会引起直流母线失压;(3)充电机交流电源失电时,蓄电池组能通过整流二极管D1为站内负荷供电。
缺点:接线相对复杂,需要增加直流空开与整流二极管,且如果直流母线比较隐蔽,将不易实现试验接线。
综上所述,三种试验方案的优缺点对比如表1所示。

表1三种试验方案的优缺点比较
从表1可以看出三个半放电试验方案有各自的优缺点:方案1因为易于操作,适应性最广,但在放电过程中不能保证直流母线不失电;方案2与方案3在能够保证直流母线不失电,但试验接线复杂,不易于操作,尤其是方案3,因为需要与直流母线搭接,试验接线安全风险较大,现场条件不一定能够满足试验接线的要求。
但是,如果直流屏设备生产厂家能够参照方案3的接线方案设计放电回路,那么在试验时将获得操作简便且能够保证直流母线不失电的双重优点。
结论虽然方案2、方案3在防止直流母线失电方面具有明显的优势,但是在实际应用中,因为没有合适的装置来保证试验接线的安全,大多数情况下试验人员并未采用。但是,如果采用方案1而且试验前没有通过观察与测量蓄电池的状况对蓄电池性能作出预判,那么试验过程中就很有可能造成直流母线失电事故。
因此,本文认为为防止直流母线失电事故,需要有针对性选择试验方案:(1)如果蓄电池组投运时间不长、外观良好且试验前测得电池电压的分布较为均衡,那么可采用方案1放电;(2)如果蓄电池组投运时间已接近更换周期,或者有部分电池电压偏离正常电压,或者有电池极柱部分霜化,应尽量采用方案2或方案3的方法;(3)如果试验前测得有电池电压明显偏离正常电压,或者极柱有严重霜化现象,那么应该放弃50%放电试验,将异常电池隔离后再进行全核容试验。
本文编自《电气技术》,论文标题为“蓄电池组50%放电试验方案分析”,作者为钟炜、黄贵凤。




















