电接点压力表的工作原理:当被测介质通过导压部分进入测量元件时,在其压力作用下,测量元件自由端产生相应位移,通过连杆带动齿轮传动机构,从而在仪表度盘上指示出被测介质压力值。同时,仪表指针带动上下限活动臂与设定指针(上下限)触点断开或闭合,使控制电路得以通断,以达到自动控制或发信报警的目的。
电接点压力表的工作原理电接点压力表适用于测量对铜合金无腐蚀、无爆炸危险、非结晶的各种液体、气体等介质的压力。仪表经与相应的电气器件配套使用,可达到对被测压力系统实现预先设定的最大或最小压力值的双位自动控制和发信(报警)的目的。

电接点压力表具有测量控制功能,可任意设定上、下控制压力值,动作稳定可靠,在石油、化工、电站、冶金等工业企业及机电设备上广泛配套使用。
结构原理:
电接点压力表由测量系统、指示装置、磁助电接点装置、外壳、调节装置及接线盒等组成。当被测压力作用于弹簧管时,其末端产生相应的弹性变形—位移,经传动机构放大后,由指示装置在度盘上指示出来。同时指针带动电接点装置的活动触点与设定指针上的触头(上限或下限)相接触的瞬时,致使控制系统接通或断开电路,以达到自动控制和发信报警的目的。
在电接点装置的电接触信号针上,装有可调节的永久磁钢,可以增加接点吸力,加快接触动作,从而使触点接触可靠,消除电弧,能有效地避免仪表由于工作环境振动或介质压力脉动造成触点的频繁关断。所以该仪表具有动作可靠、使用寿命长、触点开关功率较大等优点。接点装置电气参数及控制形式触头功率最高工作电压最大工作电流控制形式30VA(阻性负载)
刻度误差的调整可参考图进行。未加压时把指针固定在零点处,按以上“指针安装方法”进行。然后加压至上限压力值,可松开刻度调节螺栓来调整L2的长短,使指针指示到上限刻度线。通过重复调整,便零点和上限刻度均达到要求为止。

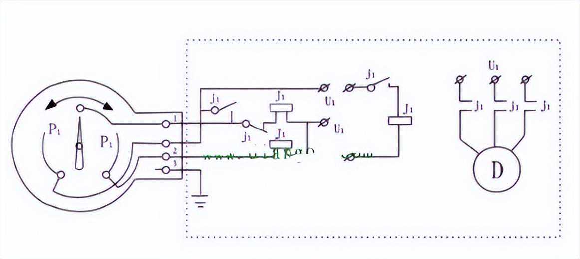
图弹簧管压力表传动机构示意图
上面的指针是上限,下面的指针是下限,中间的黑色指针指示是实际压力的数值。实际压力在上限之上时,与上限接通,与下限断开。实际压力在上下限之间时,公共端与上限,下限都断开。实际压力在下限之下时,公共端与下限接通,与上限断开,电接点压力表就是控制上下限压力用的。光有电接点压力表是不够的,还要有控制泵的自动控制箱。
增加个中间继电器,电接点压力表上有1个高压点,一个中点,一个低压点,电流方向:火线进中点,经过低压点,到中间继电器1组触点的常闭点,到接触器线圈一端,继电器线圈另一端接零线。另选一组接触器上的常开触点,2端并联到压力表低压端与中点端。
电接点压力表如何接线电接点压力表在一个管道上安装一个,接点1、接点2、接点3;通过万用表测量后证明,13是常闭点,23是常开点;现在给定一个压力范围低于4公斤和高于6公斤立即要接通电路报警膜片压力表3是常闭点,接4公斤(低压);23是常开点,接6公斤(高压);接过电接点压力表直接控制水泵电机接触器线圈的,低于4公斤起泵,高于8公斤停泵,没有报警的。
常闭点接高压停泵,常开点接低压起泵,反正你可以接好后试试看呗,或者也可用手压泵试试看啊。电接点压力表另选一组接触器上的常开触点,2端并联到压力表低压端与中点端。中间继电器的控制由火线进压力表中点,不锈钢耐震表到高压点到中间继电器线圈一段。继电器线圈另一端接零线。火线进中点,经过低压点,到中间继电器1组触点的常闭点,到接触器线圈一端。




















