本次速成班为大家带来了3个松下A6同服异常排除小妙招只需10分钟,您即可成为精通操作的“大神”
松下A6伺服异常排除系列课程概览
过载保护的原因与处置方法?
异常保护的原因与处置方法?
位置偏差过大保护的原因与处置方法?
驱动禁止输入保护的原因与处置方法?
外部位移传感器状态异常保护0的原因与处置方法?
过电压保护的原因与处置方法?
、、、、电机自动识别异常保护的原因与处置方法?
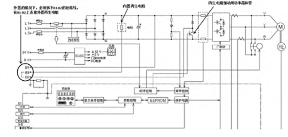
再生过负载异常保护与过电压保护(由于驱动器A、B型的再生而发生过电压保护)的原因与处理方法?
输入指令后伺服电机仍然不旋转,为什么?(脉冲列位置指令)
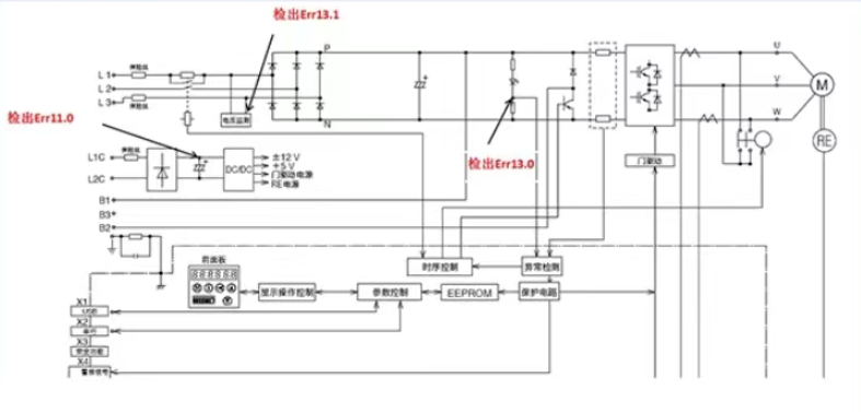
主电源不足电压保护(PN间电压不足)的原因与处置方法?
问:小PA,你知道和的处理方法吗?
答:好的,我一个个来解释哈!
首先,发生(再生过负载异常保护)的原因:
电机的旋转方向与转矩的方向相反时,电机为发电模式,再生能量会从电机返回到伺服驱动器的PN电压部,若持续此状态,PN电压部的电压上升,超过电容的耐压,电容破损。在发生此情况之前,在P-N间加入电源晶体管连接电阻,通过打开晶体管,通过电阻作为热能将增加的能量消耗掉,在驱动器内部,设定了再生开始电压,超过此电压,在到低于此电压之间,打开晶体管,通过电阻作为热能将增加的能量消耗掉,初始设定中,由于内置再生电阻有效,此打开的占空比为1%以下(=0),超过后会发生(再生过负载异常保护)。
发生(再生过负载异常保护)时的处理方法:
(1)不动作发生再生过负载异常保护时
①确认电源电压,100V商品135VAC、200V商品275VAC以下
②无问题时,更换驱动器。
(2)动作中发生再生过负载异常保护时(确认再生负载率)
l在一定速度下发生时
①减轻负载或者降低动作速度,提高电机·驱动器的容量。
②无外置再生电阻时,安裝外置再生电阻。
③确认的值是否合适。(0:内置电阻、1:外置电阻10%限制、2:无外置电隔限制、3.无再生动作)
l在减速中发生时
①减轻负载或者加长减速时间,加长停止时间、降低动作速度。
②无外置再生电阻时,安装外置再生电阻。
③外置再生电阻容量无问题时,以=2,将再生过负载异常设定为无效,确认的值是否合适。
(0:内置电阻、1:外置电阻10%限制、2:无外置电阻限制、3.无再生动作)。
l在变速中发生时
①速度急变,设定过减速时间。
然后,发生过电压异常保护(由于驱动器A、B型的再生发生过电压异常保护)的原因:
A、B型由于无内置再生电阻,发生再生能量时,提高PN间电压,若超过电压检出等级,则会发生过电压异當保护。
发生过电压保护(由于驱动器A、B型的再生发生过电压异常保护)的处理方法:
为了提高再生容量,安裝外置再生电阻。从内置电阻的配线变更(有跳线或者短路时将其拆除,由于晶体管破损,禁止与内置电阻同时使用),A5的情况下向B1-B2、A6的情况下向P-B连接外置再生电阻。以=1,在10%占空比时出现再生过负载异常或者以=2,将再生过负载异常设为无效。
再生电阻的电阻值由内部的再生电阻驱动用电源晶体管的电流容量决定,选购部件中推荐的电阻值最小。由于关系到驱动器的破损,不能使用其以下的电阻值。另外,以再生过负载异常无效,在会发生经常性的再生情况的用途中,由于驱动器内部的加热会变大,所以不能使用。再生负载率,可通过驱动器前面板的""的监视模式或者PANATERM的监视、波形图进行确认。再生负载率为100%会发生异常。再生过负载警告(警告编码A1)会在85%时发生,但不会产生影响运转的动作。

问:有时候,输入指令后,伺服电机仍然不旋转,又是为什么?
答:将前面板监视器模式中的[不旋转原因]作为监视画面,从其原因编号的内容进行分析。
或者,通过Panaterm的[问题解答]分析不旋转的原因。
除此之外
l参数的确认
①确认的控制模式是否选择正确。
②确认的指令脉冲输入选择与实际的配线是否一致。
③确认的指令脉冲输入模式与上位控制器设定是否一致。
l配线部分的确认
①向COM+与COM-供给DC12~24V电压,确认伺服ON输入是否连接到COM-。
②确认计数器清除(CL)输入是否为ON。(需OFF)
l机构部分的确认
①确认联轴器等机械连结部是否松动。
②电机的保持制动器、制动机构是否为ON。
lPanaterm的监视确认
①Panaterm的监视画面中,确认[指令脉冲总和]是否有脉冲输入,若以上所有內容都无问题但通过监视无法进行脉冲计数的情况下,请确认上位控制器侧的脉冲输出。
问:最后一个问题,如何处理?
答:发生,是因为驱动器的主电源输入电压(P-N间电压)不足。
报警不会留下履历。
AC输入后,通过二极管整流的DC部分的电压进行检出,检出等级:超10万种现货元器件,一件也发货,来唯样商城购正品
100V产品:DC80V(约AC55V)
200V产品:DC110V(约AC75V)
400V产品:DC180V(约AC125V)
这时的处置方法如下:
P-N间电压可通过驱动器的前面板的""监视模式或者PANATERM中监视的[电源电压值]、波形图进行确认。
发生时,确认主电源的电压、配线的接触不良、断线、电源的容量。
特别是多轴同时使用的情况下发生问题时,由于电源容量不足,需划分区域,依次使用。

时间过得真快松下
A6伺服异常排除系列课程暂时告一段落了
当然,以后我们会继续解锁松下A6伺服的操作技巧




















