机电液不分家,搞液压的不一定精通电气,搞电气的必须了解液压!机械嘛,无论液压还是电气,都得掌握必要的知识,比如机加车铣磨床,公差配合,等离子激光线切割,焊接等等。但是今天我想阐述一个电磁换向阀的一点知识,也是最近做项目时,遇到的问题。
在分享之前,先要明白一点,电液换向阀是什么东东?

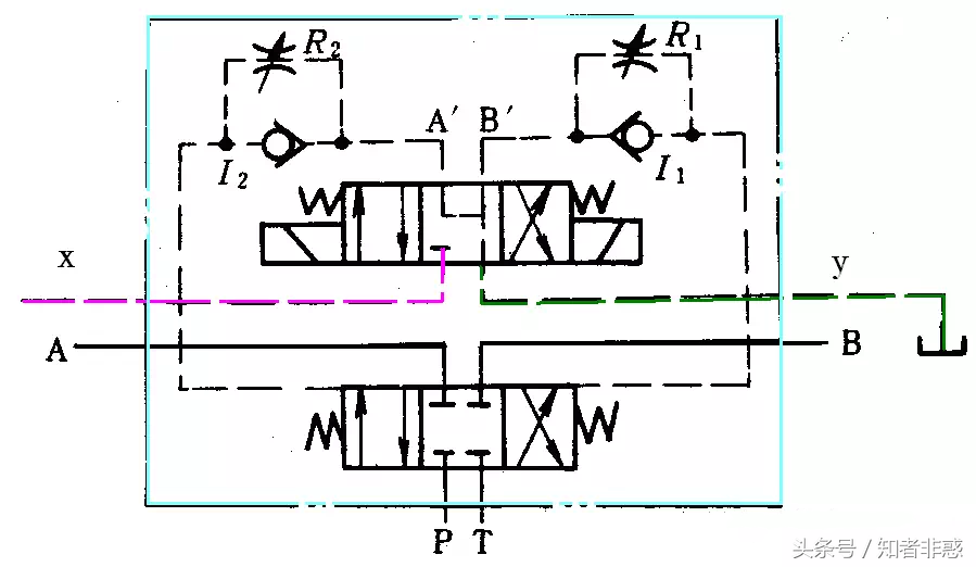
一般我们所见到的是简化符号,也就是右边的符号,其实详细职能符号见(a),所以今天说的内控、外控、内泄、外泄得从(a)更好理解一些
电液换向阀控制油x可以取自主油路的P口(内控),也可以另设独立油源(外控)。
对于高压液压系统(P压力高),为防止换向冲击,控制油x不能取自主P口,要另设压力较低的独立油源,即采用外控式。
采用外控时,独立油源的流量不得小于主阀最大通流量的15%,以保证换向时间要求。
对于低压液压系统(P压力低),控制油x可以取自主油路的P口,即采用内控式。
采用内控时,主油路必须保证最低控制压力(0.3~0.5MPa)。
电磁阀的回油y可以单独引出(外泄),也可以在阀体内与主阀回油口T沟通,一起排回油箱(内泄)。
对于主阀回油口T压力高的系统,为防止T背压过高导致先导阀回油y也过高,引起主阀换向阻力过大,回油y要与T隔开,单独回油箱,即采用外泄式。
对于回油口T压力低的系统,回油y可与T沟通,采用内泄式。
下图所示为外控外泄式电液换向阀油路,此类阀用于高压系统同时主回油路压力(背压)较高的场合。

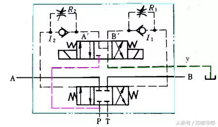
下图所示为内控内泄式电液换向阀油路,此类阀用于低压系统同时主回油路压力(背压)较低的场合。

下图所示为内控外泄式电液换向阀油路,适用于低压系统同时主回油路压力(背压)较高的场合

下图所示为外控内泄式电液换向阀油路,适用于高压系统同时主回油路压力(背压)较高的场合。

对于研发设计人员,必须要掌握的一些知识,在以后的设计中,也会有很大的帮助。不知道大家能不能看明白呢?如有疑问,也请大家留言,互相交流和探讨!




















