石油进入炼油厂的第一个加工装置就是常减压蒸馏装置,而常减压蒸馏装置主要就是应用石油的蒸馏原理来对原油进行加工处理的,下面对常减压蒸馏装置做一简要介绍。


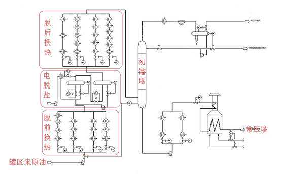
从初馏塔底抽出的原油由泵通过换热器,回收减压塔底和侧线减压蜡油馏分的热量,然后送到常压炉中,在进入常压塔汽化段之前,原油在加热炉中部分汽化,过热汽提蒸汽通过塔底引入。
常压塔、测线产品煤油、轻柴油和重柴油馏分作为侧线产品从常压蒸馏塔中抽出,分别在各自的汽提塔中汽提,煤油,轻柴油和重柴油馏分在原油预热中与原油和其他组分换热,冷却到一定温度后作为产品送出装置。热的常压塔底油,在大约350℃左右,通过泵送到减压塔的加热炉中。
减压塔、抽真空系统、测线产品来自减压炉的常压塔底油进入减压塔的汽化段,塔顶借助减压抽真空系统(蒸汽喷射/冷凝系统),在塔内形成减压条件,以达到重组分在较低温度下分离的目的,由于原料的裂化,在减压炉中产生了一些气态烃,这些酸性气体经过脱硫后返回到在常/减压炉中燃烧,而塔顶冷凝水,则送入脱盐罐进水缓冲罐。
减压塔装备有冷循环(急冷油),以降低塔底温度并避免结焦,过热汽提蒸汽在塔底引入塔中,重柴油馏分作为侧线产品抽出,并于原油的预热线路中与原油换热,部分用作塔顶和中部回流返回塔中,剩余部分在换热冷却后作为产品送出装置。

减压轻蜡油(减一线)作为侧线产品抽出,在预热线路中与原油换热冷却后,一部分作为中部回流返回塔中,剩余部分作为产品送出装置。
减压重蜡油馏分(减二/三线)作为侧线产品抽出,在预热线路中与原油换热冷却后,一部分作为中部回流返回塔中,剩余部分经继续换热冷却后作为产品送出装置。
塔底减压渣油一部分作为底部回流返回塔中,剩余部分作为产品送出装置。





















