洁净系统控制:

洁净度-尘埃粒子数:

压差:
相邻洁净区房间之间的压差应为10-15帕斯卡(指导值)。--EUcGMP(欧盟)
洁净区与非洁净区之间、不同等级洁净区之间的压差应不低于10帕斯卡,相同洁净度等级不同功能的操作间之间应保持适当的压差梯度,以防止污染和交叉污染。--新版GMP
相邻洁净区房间之间的压差应为12.5帕斯卡。--FDA
气流组织及自净:
应证明各种气流方式无导致污染的风险,例如,应采取适当的措施确保气流不会将操作或设备以及操作人员散发的粒子吹向洁净要求高的区域。生产操作全部结束,操作人员撤离生现场并经15~20分钟(指导值)自净后,洁净区的应达到“静态”标准。
洁净室围护结构:

墙板:
密胺树脂面层的墙体板材:
面层不会生锈,抗冲击性能优越。
加工性能好,可任意切割开孔、切割、锯。
表面平整度好。

彩钢板面层的墙体板材:
与特有龙骨系统相匹配;
可以完全平整地与各种组件相衔接。
两种板材在同一系统中可以互换。
多种墙板选择:

二次排版设计,全部工厂制作,无现场切割,手工制作:

机制岩棉板:

手工岩棉板:
1、手工岩棉板,四周采用镀锌板冷拉型框架或塑钢框。
2、两面可采用彩涂板、镀锌、不锈钢等净化特定材质。
3、芯材可采用无机质(玻镁板、石膏板)、岩棉、硅酸铝棉、玻镁棉,珍珠棉。
4、产品具有表面美观、隔音、绝热、保温、抗震,防火性能符合国家标准。

玻镁岩棉板:
1、防火,阻燃。按GB25970-2010标准达到A级不燃板材。
2、防水、防潮。在水中浸泡48小时以上,板材不变形,无变化。
3、防腐、耐酸碱。保证建材装饰的长久性。
4、隔音、隔热。隔热性能极佳,有极强的隔音效果。
5、低伸缩率,吸湿变形率小雨0.20%,受热变形率低于2%;
6、轻质高强。整体密度低,由于强度优势,使其能以超薄的板材施工,整体建筑质量轻,具有一定的抗震作用。
7、耐火性能。用12mm厚板制作防火墙,耐火4小时,不开裂、不倒塌,完整性极佳

纸蜂窝板:
纸蜂窝夹芯板是真正意义上的绿色环保产品,100%的废弃物回收利用。产品经国家防火建材质量监督检验中心检验达到难燃材料的规定要求(依据GB8624-2012规定检验为难燃级别)。该产品具有阻燃性能好、防静电、无粉尘、整体钢度好等优点。遇火不产生有毒物质,废弃物可以完全回收再利用,是聚苯板、聚氨脂、岩棉等材料的换代产品。

中空玻镁板:
俗称氧化镁夹芯板是以氧化镁,氯化镁,和水三元体系,经配置和加改性剂而制成的,性能稳定的镁质胶凝材料,以中碱性玻纤网为增强材料,以轻质材料为填充物复合而成的新型不燃性装饰材料。采用特殊生产工艺加工而成,具有防火、防水、无味、无毒、不冻、不腐、不裂、不变、不燃、高强质轻、施工方便、使用寿命长等特点。

铝蜂窝板:
铝板为不燃材料。蜂窝板属于纯铝立产品,不挥发任何对人体有害的气体,无放射性并可以完全回收利用,百分百的环保型产品。
洁净室墙体:
高质量的表面材料具备抗化学侵蚀、耐磨、抗刮擦等优良的性能。
墙板四边封边避免了夹芯材料外泄污染洁净室。
优质的隔热保温材料作为夹芯材料。
根据需要预埋加强筋保证墙板的强度。
根据设计需要预埋线管方便各种管线通过。
快速容易安装的墙体系统。
灵活可多选的组件满足各种要求。
牢固严密的系统避免了空气的泄漏。
系统配备了完整的门窗组成整套的产品系统。
所有组件的连接都是平滑连接无突起。

洁净室板材优点:
密胺树脂面层的墙体板材的优点:
面层为具备各项优越性能的特殊的密胺树脂材料。
面层不会生锈。抗冲击性能优越。
加工性能好,可任意切割开孔、切割、锯。
耐腐蚀性能优越。抗刮擦性能特别出色。表面平整度好。
彩钢板面层的墙体板材的优点:
镀锌钢板基材、面层辊涂的材料决定了墙体面层强度较高。
钢板双面镀锌增强了表面的抗腐蚀能力。
与特有龙骨系统相匹配。
可以完全平整地与各种组件相衔接。
特殊的结构形式,巧妙的进行板内回风,节约了空间,保证了合理的气流组织。
外贴圆弧中置铝连接墙板系统:



内置龙骨外帖石膏彩钢板墙板系统

活动结构:标准地龙骨带有水平调整底座,可快速精确调整地龙骨水平高度。
回风墙:100系列龙骨挂板,特别的回风墙结构同中空墙,内衬钢板;回风夹道宽度可变;标准回风量为560CMH。
常规的回风夹道可用回风墙代替,少占地方,平面布置灵活,是专为医药厂房紧凑布局而精心设计的。

顶板:
该板材采用三明治式结构:两面为彩钢板,烤漆,钢板厚度是0.5毫米;中间为高密度的绝缘的隔热夹芯,该型号顶板可供选择的夹芯材料有岩棉,纸蜂窝,铝蜂窝等材质,为了增强顶板强度,可在彩钢板内加入石膏或玻镁板,人员可以在上面行走,进行各种维护工作。承重在100公斤以上。



板与板之间是内置式铝龙骨或PVC方管连接的,形成一连续自支承结构的墙。两块板之间的接缝处用硅胶密封处理。顶板用M-8螺纹钢筋和支架固定在建筑顶上。

双面完全平整连接
与墙板双面平整连接,转角全部使用圆弧过渡;
卫生型升降铰链,按压式门锁,自动下密封条。

选项:电子互锁,窗,门锁,应急推杆,磁力锁,自动闭门器(带合页)。

多种材质的门可供选择:
1.钢制门;2.密胺树脂板门;3.彩钢板门;
4.不锈钢门。
多种形式的洁净门用于不同的场合:
1.平开门;2.移门;3.电动移门;4.快速卷帘门。
门:

门锁及铰链:

独特的结构和设计能够达到双面完全平滑连接;
圆滑的门框和门体铝合金型材设计;
特殊的门锁系统,避免了手接触污染。
门底自动升降密封条:

门框三边使用密封胶条和门底自动升降密封条,保证了门体系统的气密性。
门合页:

合页上下左右可调,门可拆卸。
电子互联锁:

多种电子互联锁形式满足医药厂房需求:
1.电插互联锁;2.电磁互联锁;3.阴极互联锁。
独特的设计可满足不同功能间的需求,可使用按钮式,触摸式及传感式,最多可达8门互锁。


窗:

三道气密处理;内置干燥剂;
两种专用密封胶密封;钢化安全玻璃;
与墙板双面齐平。
圆角窗安装在彩钢板或者密胺树脂板上,由白色或黑色烤漆铝框和双层玻璃构成,用专用结构胶密封,完全与墙板齐平窗户四角为圆形设计。可与彩板一体化,安装方便,易于清洁。

方角窗通过排版安装在彩钢板或者密胺树脂板上,由白色或黑色烤漆铝框和双层玻璃构成,与墙板完全齐平,与墙板一体,易于清洁。

双层玻璃避免结露;在单独的环境生产,避免空腔内集尘。
空腔内特殊处理吸附空腔内水分,与墙面平滑连接。

地面:

根据不同的用户需求,可以提供环氧自流平、PVC卷材和环氧彩砂地面等不同种类材质的地面材料。并且可以提供具有抗静电表面的特殊地面材质,同时在一个项目中可以设计为不同颜色区分不同的洁净等级的地面。
PVC,环氧彩砂或环氧自流坪地面与墙板的连接。

三种地面材料比较:

连接件:
铝合金天地轨型材、其他铝合金型材、1/4圆弧铝合金型材、1/8圆弧铝合金压铸件以及其他辅材辅料。
洁净室铝型材及其他:
材料材质-铝合金挤压型材和铝合金压铸件。
表面处理-铝合金型材为阳极氧化表面处理,除了没有外露的铝合金型材;
材料厚度-大多数铝合金型材的厚度为1.2毫米,强度高、尺寸精密并且容易安装。
圆角的圆弧半径-圆弧材料采用PVC材质和铝合金材质,或者交叉搭配使用,符合GMP要求,易于清洁。
密封胶-道康宁白色硅胶用于密封板间的缝隙和板与圆角之间的各种缝隙。黑色道康宁硅胶用于密封板与窗之间的缝隙。

卫生型铝形材部件:易于清洁,用于水平和垂直方向彩板凸角的连接。安装在拐角处的凹形边饰,完全与墙面平齐,美观大方,方便卫生。

墙与地面连接示意图:

独特的地龙骨形式,确保PVC或环氧彩沙地面上墙100mm,并与墙面完全平齐,保证了各洁净间的完全密闭,易于清洁,完全符合GMP要求。
墙与顶面连接示意图:

完全独立吊装的吊顶系统,既保证吊顶强度,又保证所有墙体的灵活拆装。
墙与墙“L”连接示意图:


附件:

世卫组织推荐的旋流扩散板,有利于清除房间死角。选用液槽密封高效过滤器,确保零泄露,满足PAO测试要求。





洁净电话与墙板平整安装表面可清洗灭菌。

微压差计不锈钢护套,拆卸后内部仍保持整洁,方便仪表校正。
洁净电子时钟:

负压称量罩或层流设施:

负压称量罩确保配料称量过程安全可靠,完全不必担心交叉污染,高效下均流膜的设计与使用确保A级区面风速均匀,在0.45m/s正负20%范围内,符合FDA和欧盟cGMP要求。
洁净室围护结构:

方案审核-确认设计标准:
洁净空调-风速、换气次数、过滤器:

审核高效布置及气流组织:

备注:A级单向流,B/C/D紊乱。
HVAC:

设计要点—空气净化:
1.过滤;2.灭菌;3.常用净化设备;4.过滤器的密封处理;5.换气次数与断面风速。
过滤:
是指从现有的一批物质中筛选出符合条件的物质,去掉不符合条件的另一部分物质。空气过滤是筛选出洁净空气,去除掉尘埃粒子。用于过滤空气的设备是空气过滤器。


常用净化设备:
送风过滤单元FFU:

高效过滤风口:

静压箱下方带有风量调节钮,可在下方直接调节风量。


过滤器的密封处理:
高效过滤器的安装密封是空气净化的关键,也是长期以来的一个难点.过滤器安装后的捡漏是最难通过的一项检验,许多洁净室的不成功就是因为密封没做好.即使洁净度达标,其捡漏也未必达标。这在其他洁净室可能不是大问题,但在制药行业的生物洁净室泄漏就意味着生菌,所以密封对生物洁净室来说是关键中的关键。
目前常用的密封方式有:
负压密封:效果最好。FFU是其典型代表。
机械压紧:效果一般。高效送风口采用较多。
液槽密封:效果很好,但施工难度较大。往往因施工影响其密封效果。



空调通风系统—空气处理单元:


空气处理单元—空调负荷计算:
根据风量与室内负荷用焓湿图计算空调制冷量、加热量、加湿量。

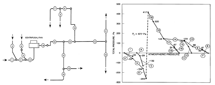
管道阻力计算:
通过管道阻力、过滤器阻力、设备阻力之和确定风机压力。

风机选型:

空气处理单元设计选型注意事项:

空调通风系统—通风管道:

通风管道:



净化风管的制作安装:
采用优质镀锌钢板,现场安装,制作车间封闭无尘;
加工前,镀锌板用中性洗涤剂清洗,擦净、干燥后使用;
风管不得有横向拼接缝,尽量减少纵向拼接缝,加工镀锌钢板风管避免损坏镀锌层;
风管合口后需用塑料布封住两端,码放在清洁防护棚或车间内,安装时运入现场后再拆封口,风管安装前再次清扫干净后进行安装;
风管加工制作根据设计施工图纸要求及现场实测尺寸,绘制加工草图后逐个系统加工制作安装。





















