今天给大家介绍一下可控硅,可控硅(也称晶闸管)从外形看和三极管差不多,也有三个引脚分别为阳极A,阴极K,控制极G,该器件被广泛应用于各种电子设备和电子产品中,多用来作可控整流、逆变、变频、调压、无触点开关等。它的主要种类有单向晶闸管、双向晶闸管、光控晶闸管、逆导晶闸管、可关断晶可控硅闸管、快速晶闸管,等等。
可控硅的结构:可控硅是由四层半导体材料组成的,有三个PN结,对外有三个电极,第一层P型半导体引出的电极叫阳极A,第三层P型半导体引出的电极叫控制极G,第四层N型半导体引出的电极叫阴极K。从晶闸管的电路符号可以看到,它和二极管一样是一种单方向导电的器件,关键是多了一个控制极G,这就使它具有与二极管完全不同的工作特性
可控硅的原理
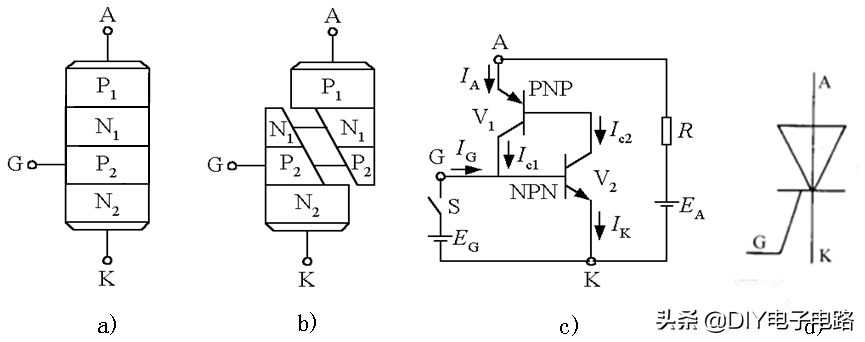
单向可控硅:可控硅是P1、N1、P2、N2四层三端结构元件,共有三个PN结,分析原理时,可以把它看作由一个PNP管和一个NPN管所组成,其等效图解如下图所示。

单向可控硅

单向可控硅结构和符号
双向可控硅:双向可控硅是一种硅可控整流器件,也称作双向晶闸管。这种器件在电路中能够实现交流电的无触点控制,以小电流控制大电流,具有无火花、动作快、寿命长、可靠性高以及简化电路结构等优点。从外表上看,双向可控硅和普通可控硅很相似,也有三个电极。但是,它除了其中一个电极G仍叫做控制极外,另外两个电极通常却不再叫做阳极和阴极,而统称为主电极Tl和T2。它的符号也和普通可控硅不同,是把两个可控硅反接在一起画成的,如下图所示。它的型号,在我国一般用"3CTS"或"KS"表示;国外的资料也有用"TRIAC"来表示的。双向可控硅的规格、型号、外形以及电极引脚排列依生产厂家不同而有所不同,但其电极引脚多数是按T1、T2、G的顾序从左至右排列(观察时,电极引脚向下,面对标有字符的一面)。目前市场上最常见的几种塑封外形结构双向可控硅的外形及电极引脚排列如下图所示。

双向可控硅

双向可控硅结构和符号




















