在液压系统中,控制流体流量的阀统称为流量控制阀,简称流量阀,它的主要作用是调节执行机构的运行速度。流量控制阀种类很多,大致可分为节流阀、调速阀、溢流节流阀(三通调速阀)、分流集流阀等。使用流量控制阀对系统流量进行调节的调速方式称为节流调速(除了节流调速,还有容积调速,容积节流调速)。本文将对常用的流量控制阀进行简要介绍,下图为一些常见的流量控制阀产品。

1节流阀
节流阀是通过改变节流口面积或节流长度以调节流量的阀,它是流量控制阀中最简单、也是最基础的阀。节流阀有很多其他种类,比如单向节流阀,双单向节流阀,行程节流阀等。下图为一个典型节流阀的原理图及其符号。

进油口处的压力油经节流口流出,通过调节手轮使阀芯上下移动,可改变节流口面积,从而实现流量调节。这种节流阀在压力较高时调节困难,又叫做带载不可调节流阀。
相比于上述普通节流阀,单向节流阀更为常用。单向节流阀是节流阀与单向阀的并联,一侧进油为节流,反向则为单向。
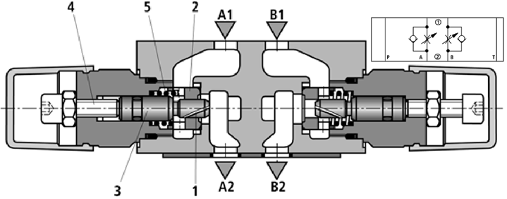
下图为力士乐MG型节流阀和MK型单向节流阀的原理图及其职能符号,此阀为管式连接。通过旋转调节套1可改变节流口大小,实现流量调节。这种阀结构简单、调节方便,但无法带载调节。

下图为力士乐Z2FS型叠加式双向节流阀的原理图及其职能符号。从A1到A2或B1到B2为节流,反方向为单向。油液从A1口经节流口(1)流向A2口,起节流阀作用;反方向时油液推开单向阀芯(2)直接流出,起单向阀作用。

节流阀在定量泵系统中与溢流阀配合,可分为进口节流、出口节流和旁通节流三种调节方式,这三种方式适用不同的工作场合,需根据具体工作状况选择合适的调节方式。节流阀的调速性能与前后的压差有关,在负载变化较大时流量变化较大,速度稳定性差。所以在调速稳定性要求高的场合,常选择调速性能更好的调速阀或溢流节流阀。
2调速阀
调速阀是在节流阀基础上与一个定差减压阀串联,以保证节流阀两侧压差稳定,实现良好的调速性能。调速阀又可叫做二通调速阀。下图为调速阀的原理图以及详细符号和简化符号。

该阀上半部分为减压阀,下半部分为节流阀。油液从p1口进入,先经减压阀减压,压力降为p2,再经节流阀口到p3口,p3接负载。p3口压力油引一路控制油到减压阀弹簧腔,作用在减压阀芯左端面,p2口压力油经减压阀芯内部孔道作用在阀芯右侧。当负载压力升高时,p3推动减压阀芯右移,使减压口面积增大,p2增大,直到p2与p3的差值不再变化,达到新的平衡。当负载压力降低时,减压阀口减小,使p2减小。这样可以使p2与p3的差值基本保持为定值,实现良好的调速性能。需要注意的是,调速阀如果反向连接,则会使减压口全开,只发挥普通节流阀的功能。
下图为力士乐2FRM型调速阀。与上述原理相似,也是将节流阀的进出油口作用在减压阀芯两侧,实现节流阀两端压力稳定。不同的是油液先通过节流阀,再通过减压阀。

3溢流节流阀
溢流节流阀又叫做旁通型调速阀或三通调速阀,它由一个溢流阀和节流阀并联,以保证节流阀两端的压力稳定。下图为溢流节流阀的原理图及其职能符号。

进油口p1的油一部分经节流阀流出,压力降为p2,另一部分直接通过溢流阀溢流。进油口p2作用在溢流阀下端面,出油压力油p2作用在溢流阀上端面。当出油口p2增大时,使溢流阀芯下移,进油p1溢流量减少,压力升高,使p1和p2的差值保持稳定。同理,当p2减小时,溢流口增大,p1压力降低。这样可使节流阀进出油压差保持稳定,实现良好的调速性能。
4分流集流阀
在流量控制阀中,还有一种叫做分流集流阀。与节流阀和调速阀不同,分流集流阀不具备调速功能,它控制的是流量的分配,适用于多个执行器需要同步的场合。分流集流阀有多种不同的形式,下图为分流集流阀的分类。


下图为该阀在分流工况时的状态。在P腔压力作用下,两个换向活塞处于两端,靠在阀芯上,此时可变节流口fA和fB起作用。在A、B压力相等时,阀芯在弹簧作用下对中。当出口压力不相等时,如A口压力大于B,a室压力上升,阀芯右移,左侧节流口fA增大,右侧节流口fB减小,使fB的压降增大,b室压力增加。直到a、b两室的压力相等,即使两个固定节流口FA和FB两侧压差相等,保证流出A、B两腔的流量相等。

下图为该阀在集流工况时的状态。此时在A、B腔的压力作用下,两个换向活塞都靠在阀芯中间位置,可变节流口fC和fD发挥作用。当A腔压力较大时,a室压力也增大,此时阀芯右移,节流口fC减小,fD增大,流经fC的压差增大,使a室压力降低,直到FA和FB两端压差相等,即可实现A、B两腔进入阀的流量相等。





















