
空间光调制器是采用LCOS(LiquidCrystalOnSilicon,硅基液晶)芯片来调节光波前的振幅或相位的光学器件。LCOS芯片是由液晶像元组成的像素阵列,每个像素都能单独地调制光。对于同一束光来说,像元的尺寸越小,调制的就越精细;像素的个数就是芯片的分辨率,分辨率越高,可调制的自由度就越高。对于滨松LCOS本身的性质来说,它只改变光的相位,而不影响光的强度和偏振状态。(如果要调制振幅/光强,需要通过光路来实现,具体光路参见:SLM振幅调制光路)。通过改变电压来改变液晶的排列方式,相位调制随着液晶的排列方式而变化。通过CMOS背板和PC输出的DVI信号,液晶的排列是单像素可控的。
目前市面上的LCOS产品中,滨松LCOS在高端市场中以更优秀的性能赢得了众多用户的好评——高线性度、高光利用率、高衍射效率,等等。
一、产品型号的选择
1.确认分辨率和像元大小
LCOS是由像素阵列组成的,滨松可以提供的分辨率为1272×1024.新系列X15213表示在产品型号的前半部分,后半部分表示对应的型号,各型号的波长范围不同,如X15213-08.见下表:

表中"有效面积(Effecttiveareasize)"是指LCOS头上可以对光进行调制的液晶面的面积。"填充因子(Fillfactor)"是指单个像素有效面积占总面积的百分比,这个值在影响光利用率方面比较关键(光利用率在本文后面会进行介绍)。某些厂家将该值Fillfactor的概念与像素间间距(Interpixelgap)合起来表示该值,因此他们通常将Fillfactor标成100%,但同时他们的Interpixelgap高达1.3μm,而这个Interpixelgap他们是不会给出的,因此参数就会显得很好看。而滨松本着实事求是的原则将实际Fillfactor写出,并且滨松的Interpixelgap只有0.2μm。所以用户在使用的时候,需要考虑的是综合了Fillfactor和Interpixelgap的真正的填充率,只有高Fillfactor,没有小的Interpixelgap,实际上的填充效果其实并不好。后面的重量是指LCOS头的重量,新产品采用轻量化设计,在保证性能不变的情况下,重量为150g(旧版为350g),水冷型号的由于增加了制冷部分,重量为550g.
2.选择相应的波段
每个系列的LCOS产品都包含若干个不同的型号,以尾缀的形式表示。如X15213-08中的-08就是指该型号的产品可调制波长范围为1000nm-1550nm,见下表:

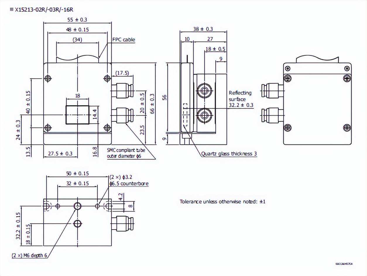
其中对于-05型号来说,波长小于400nm的紫外光会对LCOS造成损伤,更多细节请向我们咨询。对于-08型号,波长1350nm-1400nm这一段由于玻璃基片的吸收会导致反射率(光利用率)下降约5%。尾缀带有字母L或者R的代表水冷型号的水冷管接口在左(L)或者在右(R),以R为例详见下图图纸。

3.注意光阈值
LCOS是不能照射超过阈值的光的,如果超过阈值光强,则会发生损伤,轻则线性度下降,重则液晶层融化。滨松LCOS的光阈值在同类产品中属于较高的水平,具体值由于型号、波长、用户使用的光源类型不同会有很大差异,请参考空间光调制器光强阈值资料及计算方法。对于不同系列的相同尾缀的型号,具有相同的光阈值,如X10468-08的光阈值和X15213-08相同。
另外,从波长选型中可以看到,不同尾缀的各种型号中,-01,-07,-08这三种型号的波长范围较长;而其他几种型号的波长范围较短,这是因为它们在液晶的底层加了介质镜(Dielectricmirror),大大提高了光阈值和光利用率,但也将波长范围限制在一个比较小的范围内。

对于一些需要使用强激光(几十瓦到几百瓦)的应用,如激光加工
客户需要自行配置水冷机,要求如下:

二、重要性能参数
1.光利用率(反射率)
为了提高光的利用率,在调制的过程中将光能的损失降到最低,滨松的LCOS产品均为反射式。这里光利用率就定义为光经过LCOS液晶面反射的反射率。定义为:平均反射光强占入射光强的百分比。反射率的测试方法如下:


各个型号的光利用率
滨松可以提供355nm-1550nm范围内的OEM定制产品,我们可以为您专门优化您应用中需要用到的波长。具体需求请联系我们。另外,有些品牌将反射率称为"零级衍射效率",这其实是一回事,不要把"零级衍射效率/光利用率/反射率"与"一级衍射效率"混淆。
2.一级衍射效率
一级衍射效率才是LCOS真正的"衍射效率",是通过加载闪耀光栅时(将LCOS作为光栅使用)一级衍射光的能量占零级衍射光(入射灰阶从0到255变化时的平均值)能量的百分比来定义的。加载闪耀光栅时,光斑级次如下图所示:

(a)未加载光栅,(b)加载2-level光栅,空间分辨率为25线对/mm,图中为±1级光及0级光,(c)加载4-level光栅,相当于12.5线对/mm的空间分辨率具体检测衍射效率的方法如下,客户可以搭简单的光路,使用光功率计自行检测:

光栅level/steps越高,空间分辨率就越低,但是衍射效率越高。对于X13138系列,光栅level/steps和空间分辨率lp/mm之间的对应关系为:

滨松LCOS由于其纯相位高精度的相位控制,具有接近理论值得超高衍射效率,X15213系列具体数值如下:

具体计算方法见(以老型号为例,原理相同):SLM空间分辨率的解释。
如果用户感兴趣,可自行在实验室检测,检测示例参见:LCOS-SLM空间光调制器衍射效率测试(一级衍射效率)
注意!实验室静电有可能造成衍射效率下降,请注意防护。
3.线性度
相位调制的线性度在光调制的精度方面是一个至关重要的参数,而滨松致力于追求等高精度的调制,在线性度方面做到了行业顶级。滨松线性度:

可以看到平均值和标准差的线性度都非常好。而一些单纯追求相位调制范围或分辨率的品牌,容易忽视线性度,这样就在调制精度方面存在问题。如:

在主要用到的0-2π区间范围内线性度较差。而大部分应用主要使用的都是0-2π这个范围内,原因是从波动光学的角度来说,像差2π的整数倍的两个相位的光是可以进行等效的。




















