防冻液、水和油等"流体"可以为机器的运行提供帮助,而防止这些流体从机器内泄漏的机械元件,被称为"密封装置",如FIPG、CIPG、密封垫和密封条等;
本文介绍一下最常用的密封装置——"O型圈"。

长圆孔(腰孔)的设计要点,以及解决措施
一、什么是O型圈;顾名思义,它是一个"O"型的密封圈,用于防止流体泄漏;其材质为橡胶,常用材料有NBR(丁腈橡胶)、CR(氯丁橡胶)等;

O型圈最大的优点是外形结构简单,成本低,用途广泛,而且标准化程度高,易寻找替代品;
电子设备热设计中热界面材料的使用与设计要点
二、O型圈的密封类型;根据其应用场合,可分为轴密封(包括动密封和静密封)和端密封(静密封),其中轴密封包括活塞动密封,旋转动密封等;

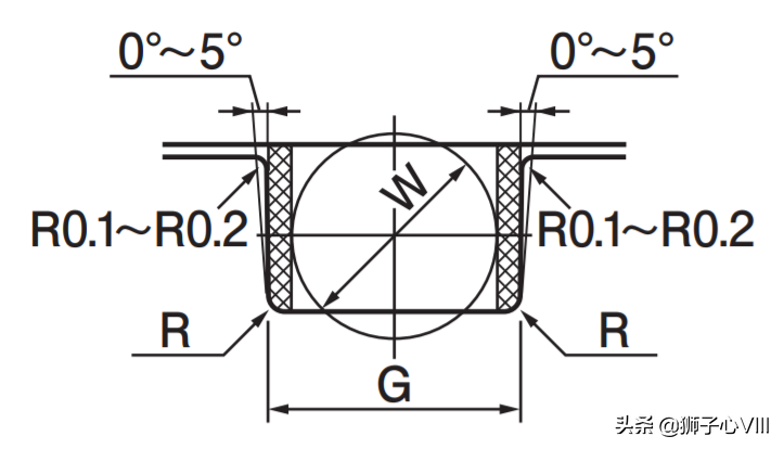
O型圈安装在沟槽内时应处于拉伸或压缩状态,以避免O型圈的脱出,若O型圈装在轴外侧(外周),应处于拉伸状态,即O型圈的长度必须<槽的长度,一般负公差在-1%左右;

汽车线束使用寿命解读
三、O型圈的密封原理;在装配完成后,O型圈处于被受压状态,此时的O型圈会产生了一个弹力(使橡胶恢复到原来状态的力),而这个弹力可以阻塞流体的流出,使得产品达到密封要求;

O型圈被压缩的大小值称为"压缩量";若压缩量过小,则可能出现漏液,但压缩量也不可过大;若压缩量过大,则O型圈会发生永久变形而无法恢复原状,同样会出现漏液;因此,在密封设计时,O型圈的压缩量一定在合理的范围内;


EPE珍珠棉的发泡率是什么?
四、密封设计的主要参数补充解释;主要介绍一下压缩率、填充率;
1.压缩率=【1-密封槽高度/密封圈高度(直径)】*100%;密封圈不同则压缩率不同,所以一定要在厂商建议值的基础上,再进行设计校核;

2.填充率=密封圈截面积/密封槽截面积*100%,一般情况下,建议压缩率90%~100%,原则是槽的截面积O型圈的截面积;

钣金件如何做"定位柱"?这2种方法你都用过吗?
五、O型圈常用材料介绍;主要对比以下8种材料(网上有海量的橡胶相关资料,可自行检索);
1.材料优缺点;

2.特性对比;

3.耐温性能;

4.耐化学溶剂性能;

5.某品牌硅橡胶O型圈性能参数;

一篇文章讲清楚【凝露的危害与解决措施】
六、O型圈材料选择注意事项:在设计图纸上必须注明:材料、硬度、颜色和后处理工艺要求(即所有橡胶件都必须进行二次硫化);

若冷却回路中应用,则一般建议硬度在shoreA70左右;硬度高代表致密度高,即使发生溶胀也只出现在表层,很难侵入到内层;另外,颜色建议为黑色,黑色密封材料中的C元素会吸附分子链造成局部紧实,可以在一定程度上减弱溶胀的发生;
「溶胀」橡胶为什么会溶胀?各种橡胶的抗溶胀能力
七、为什么要涂抹润滑剂;对于O形圈的动密封应用,则必须使用润滑剂,以减少摩擦延长工作寿命;另外,在一些轴向静密封场合,也有必要涂抹润滑剂,以通过减少安装过程中的摩擦力,避免O型圈产生扭曲而损坏;

「陶瓷片」关于氧化铝陶瓷片,看这一篇文章就够了
「技术」如何减小风扇的噪音?
「铝合金」各个系列铝合金材料的性能对比




















