定义及相关元素界限指标
中国饮用天然矿泉水国家标准规定:饮用天然矿泉水是从地下深处自然涌出的或经人工揭露的未受污染的地下矿泉水;含有一定量的矿物盐、微量元素和二氧化碳气体;在通常情况下,其化学成份、流量、水温等动态在天然波动范围内相对稳定。
"国标"还确定了达到矿泉水标准的界限指标,如锂、锶、锌、溴化物、碘化物,偏硅酸、硒、游离二氧化碳以及溶解性总固体。其中必须有一项(或一项以上)指标符合上述成份,即可称为天然矿泉水。
水质要求
感官要求

界限指标
应有一项或者一项以上指标符合表2的规定。

限量指标
各离子界限指标应该符合表3的规定。

(当水中含有较高浓度的溴化物、在使用臭氧杀菌时,可能产生溴酸盐,而溴酸盐已被国际癌症研究机构定为2B级可能致癌物。)
污染物指标
应符合表4的规定。

微生物指标
应符合表5和表6的规定。

矿泉水指标
按矿泉水特征组分达到国家标准的主要类型分为九大类:
①偏硅酸矿泉水②锶矿泉水③锌矿泉水④锂矿泉水⑤硒矿泉水⑥溴矿泉水⑦碘矿泉水⑧碳酸矿泉水⑨盐类矿泉水。
市面上主要可以分为偏硅酸矿泉水和锶矿泉水:
偏硅酸矿泉水:汇立冰泉,依云,竹浪,御源泉,景田,康师傅,哇哈哈等。
锶矿类:长江雪岭高锶天然矿泉水,昆仑山,昂思多等品牌属于锶矿类矿泉水。
(有点咸是因为里面的锶含量比较高。)

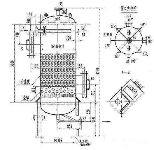
矿泉水工艺流程

1机械过滤器

机械过滤器主要采用石英砂为基础滤料进行过滤,目的是去除水中的泥沙,锰,铁锈等颗粒度较大的杂质。
2吸附过滤器

吸附过滤器一般采用活性炭为过滤器,降低水的硬度,去除水中所含有的氯含量和其他可能对人体有害的物质。
3保安过滤器

保安过滤器属于精密处理过程,防止管道中0.22μm以上的微粒进入中间水箱,一级过滤是5.0μm,二级过滤是1.0μm,三级过滤是0.22μm。
4超滤过程

超滤过滤是一种膜分离过程,超滤利用一种压力活性膜,在外界推动力(压力)作用下截留水中胶体、颗粒和分子量相对较高的物质,而水和小的溶质颗粒透过膜的分离过程。通过膜表面的微孔筛选可截留分子量为3x10000—1x10000的物质。当被处理水借助于外界压力的作用以一定的流速通过膜表面时,水分子和分子量小于300—500的溶质透过膜,而大于膜孔的微粒、大分子等由于筛分作用被截留,从而使水得到净化。也就是说,当水通过超滤膜后,可将水中含有的大部分胶体硅除去,同时可去除大量的有机物等。
5溴酸盐处理系统

溴酸盐是在各个饮用水行业厂家大量使用臭氧进行杀菌的过程中,不可避免产生的一种毒副产物。由于国家的饮用水标准对菌落总数要求非常严格,因此,用臭氧消毒公共饮用水所产生的无机消毒副产物溴酸盐,是被国际癌症研究机构定为2B级的潜在致癌物。

1988年FAO/WHO食品添加剂联合专家委员会(JECFA)将溴酸钾列为面粉改良剂使用,限量为60mg/kg。日本通过长期研究发现溴酸钾可能致癌后,1990年英国首先禁止使用溴酸钾。所以,1995年JECFA才正式将溴酸钾从“食品添加剂”中除名。现今,我国矿泉水中溴酸盐限值为0.01mg/L。
现在,矿泉水生产过程的去除器配置了采用的一种新型紫外光源,可选择性地高效分解天然矿泉水中溴酸盐,同时又不影响预留的臭氧杀菌效果,处理不受PH值影响,也无需加二氧化碳气体去降低矿泉水的PH值,不改变矿泉水口味品质,也无需用活性炭。江苏有为光子科技公司天然矿泉水溴酸盐去除器配置的新型紫外光源其波长正界于200-230nm,测试结果表明去除器可选择性地高效分解天然矿泉水中溴酸盐,同时又不影响预留臭氧,且溴酸盐分解产物也不会相互反应重新生成溴酸盐。

选购要点
1)看标签是否符合食品标签标注要求,看有无产品名称、水源地、溴酸盐的含量、注册商标、日期等内容,如不全,则不宜选购。像国际矿泉水品牌依云和国内的昂思多都是非臭氧杀菌,没有溴酸盐残留。
2)看瓶盖是否完好、平整,瓶子倒过来是否有漏水现象。
3)看瓶内的内容物是否有其它颜色或絮状物的沉淀,如果存在这类现象就不宜选购。
4)合格的矿泉水饮用时应无异味杂味。如含铅钠较高的矿泉水略带咸味;含钙镁较高的带有涩味;有点咸是因为里面的锶含量比较高;含二氧化碳较高的矿泉水有特有的刺激感。除上述应注意的条件外,一般正规的矿泉水生产厂家,都比较重视包装,精细而美观。
5)外包装鉴别:优质的矿泉水多用无毒塑料瓶包装,造型美观,做工精细;瓶盖用扭断式塑料防伪盖,有的还有防伪内塞;表面采用全贴商标,彩色精印,商品名称、厂址、生产日期齐全,写明矿泉水中各种微量元素及含量,有的还标明检验、认证单位名称。
6)色泽与水体鉴别:优质矿泉水洁净,无色透明,无悬浮物和沉淀物,水体不黏稠。
7)气味与滋味鉴别:优质矿泉水纯净、清爽无异味,有的带有该品的特殊滋味,如轻微咸味等。





















