私信“干货”二字,即可领取138G伺服与机器人专属及电控资料!
软起动器特别适用于各种泵类负载或风机类负载,需要软起动与软停车的场合。
同样对于变负载工况、电动机长期处于轻载运行,只有短时或瞬间处于重载场合,应用软起动器(不带旁路接触器)则具有轻载节能的效果。
电机软启动器一般以大功率双向晶闸管构成三相交流调压电路,以微处理器及信号采集、保护环节构成控制器,通过控制晶闸管的触发角,调节晶闸管调压电路的输出电压,实现电动机的无触点降压软启动、软停车和空载、轻载的节能及保护功能。为此,通过对软启动方式与传统的启动方式进行比较,来分析软启动器的特性。
软启动和一般降压启动的区别
在电动机启动时,降低加到电动机定子绕组的电压可以减小电动机的启动电流。一般降压启动是指电动机在启动过程中加在电动机定子绕组的电压变化是瞬间突变的,主要有“Y—△”降压启动和自藕变压器降压启动等;而软启动是使用调压装置在规定的启动时间内,自动地将启动电压连续、平滑地上升,直到达到额定电压。
若采用一般降压启动,则启动过程是跳跃的、不平滑的,所以又叫作硬启动,对生产工艺要求稳启动的场合不宜采用。而软启动从初始电压开始电压连续平稳地增大,在启动过程中电动机的转矩是平滑的而不是跳跃的,启动过程是平稳的,所以叫软启动。
软启动器工作原理是当电机启动时,由电子电路控制晶闸管的导通角使电机的端电压以设定的速度逐渐升高,一直升到全电压,使电机实现无冲击启动到控制电动机软启动的过程。当电动机启动完成并达到额定电压时,使三相旁路接触器闭合,电动机直接投入电网运行。
如果是轻载,则在正常运行时,也保持所需的较低端电压,使电机的功率因数升高,效率增大。在电机停机时,也通过控制晶闸管的导通角,使电机端电压慢慢降低至0,从而实现软停机。
软启动的特性

(1)启动电流以一定的斜率上升至设定值,对电网无冲击。
(3)不受电网电压波动的影响。由于软启动以电流为设定值,电网电压上下波动时,通过增减晶闸管的导通角,调节电机的端电压,仍可维持启动电流恒值,保证电机正常启动。
(4)针对不同负载对电机的要求,可以无级调整启动电流设定值,改变电机启动时间,实现最佳启动时间控制。
电机各种启动方式的对比

因异步电动机具有结构简单、体积小、价格低廉、运行可靠、维修方便、运行效率较高及工作特性好等优点,在电力拖动平台上广泛使用。但是,它有启动电流大的缺点(一般启动电流为额定电流的4~7倍,部分国产电动机的启动电流经过实际测量高达额定电流的8~12倍)。过大的启动电流对电动机本身和电网以及其他电气设备的正常运行会造成不利影响,会在电动机轴上产生瞬时的过大转矩(可达电机满载转矩的1.6~2.0倍),扭曲电机轴、破坏键槽、损坏和轴联接的其他设备,使电机发热影响其寿命,供电线路电压损失增大,可能使并联于同一供电线路上的其他电气设备的正常运行遭到破坏。
国家有关部门早有明确规定,电动机启动时电网电压降不能超过15%。对于容量较大的电动机,应采取措施降低电动机的启动电流。通常异步电动机总是在全电压下运行。电动机从空载到满载,磁场几乎不变。因此,磁化电流在所有负载下近似地相同。
通过比较异步电动机的各种启动方式:
当电机全压启动时,对电网的冲击最大,冲击时间也最长;而通常使用的降压启动也就是硬启动,对电网的冲击虽比较小,但是由于涉及到一个线圈电压切换过程,所以出现二次冲击的不利环节;
软启动由于在启动前设定了一个不对电网产生影响的启动电流,电流是缓慢增大至设定电流,故无冲击电流,对电网的影响最小,并且能消除启动力矩的冲击。

运用串接于电源与被控电机之间的软起动器,控制其内部晶闸管的导通角,使电机输入电压从零以预设函数关系逐渐上上升,直至起动结束,赋予电机全电压,即为软起动。根据不同行业的需求不同,对软启动器的启动方式也有不同的要求,一般有以下几种方式:
1、斜坡升压软起动
这种起动方式最简单,不具备电流闭环控制,仅调整晶闸管导通角,使之与时间成一定函数关系增加。其缺点是,由于不限流,在电机起动过程中,有时要产生较大的冲击电流使晶闸管损坏,对电网影响较大,实际很少应用。
2、阶跃起动
开机,即以最短时间,使起动电流迅速达到设定值,即为阶跃起动。通过调节起动电流设定值,可以达到快速起动效果。
3、斜坡恒流软起动
这种起动方式是在电动机起动的初始阶段起动电流逐渐增加,当电流达到预先所设定的值后保持恒定,直至起动完毕。该起动方式是应用最多的起动方式,尤其适用于风机、泵类负载的起动。
4、脉冲冲击起动
在起动开始阶段,让晶闸管在极短时间内,以较大电流导通一段时间后回落,再按原设定值线性上升,连入恒流起动。该起动方法,在一般负载中较少应用,适用于重载并需克服较大静摩擦的起动场合。
5、电压双斜坡起动
在起动过程中,电机的输出力矩随电压增加,在起动时提供一个初始的起动电压Us,Us根据负载可调,将Us调到大于负载静磨擦力矩,当输出电压达到达速电压Ur时,电机也基本达到额定转速。软起动器在起动过程中自动检测达速电压,当电机达到额定转速时,使输出电压达到额定电压。
6、限流起动
限流起动就是电机的起动过程中限制其起动电流不超过某一设定值的软起动方式。输出电压从零开始迅速增长,直到输出电流达到预先设定的电流限值Im,然后保持输出电流I这种起动方式的优点是起动电流小,且可按需要调整。

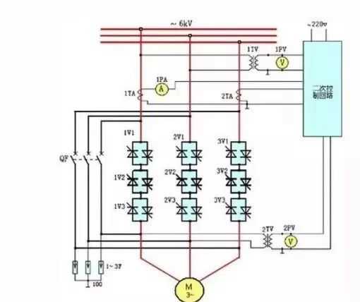
启动器(软起动器)是一种集电机软起动、软停车、轻载节能和多种保护功能于一体的电机控制装置。软启动器采用三相反并联晶闸管作为调压器,将其接入电源和电动机定子之间。
这种电路如三相全控桥式整流电路。使用软启动器启动电动机时,晶闸管的输出电压逐渐增加,电动机逐渐加速,直到晶闸管全导通,电动机工作在额定电压的机械特性上,实现平滑启动,降低启动电流,避免启动过流跳闸。
待电机达到额定转数时,启动过程结束,软启动器自动用旁路接触器取代已完成任务的晶闸管,为电动机正常运转提供额定电压,以降低晶闸管的热损耗,延长软启动器的使用寿命,提高其工作效率,又使电网避免了谐波污染












![[伤寒心法要诀]少阳病用柴胡汤加减法](/imgs/baidou-v2/upload/default/19F5C4CFC.jpg)







