汽车发动机进入正常的工作循环,必须借助外力起动:
人力—手摇(辅助)
电力—起动机(主要)
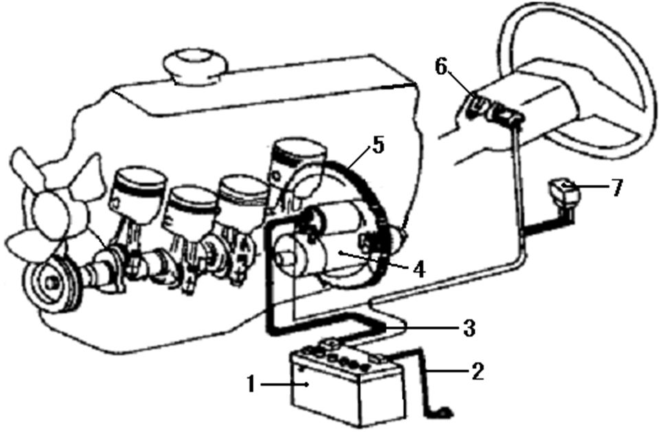
电力起动系统组成:

1.蓄电池
2.搭铁电缆
3.起动电缆
4.起动机
5.曲轴飞轮
6.起动开关
7.起动继电器

丰田5A发动机的起动机安装位置


机壳、磁极、励磁绕组、电枢、电刷及电刷架、前端盖、后端盖、轴承等;
一、起动系统的组成

二、起动机类型(常用2类)
电励磁起动机;
永磁起动机;
三、起动机型号(5部分)
名称代号;
电压等级代号;
功率等级代号;
设计序号;
变型代号;

汉语拼音—名称代号
QD—普通型起动机
QDJ—减速起动机
QDY—永磁起动机
电压等级代号:1-12V;2-24V;
功率等级代号(数字表示):
1-1kw以下;2-1~2kw;3-2~3kw;
4-3~4kw;5-4~5kw;6-5~6kw;
7-6~7kw;8-7~8kw;9->8kw
举例
QD112:工作电压12V、功率0.8kw、第2次设计的普通型起动机(夏利轿车);
QD124:工作电压12V、功率1~2kw、第4次设计的普通型起动机(东风载重车);
起动机的结构、工作原理及特性
起动机的组成(3部分):
直流电动机—通电产生转矩;
传动机构—传递转矩;
控制装置(电磁操纵装置)—控制转矩的产生和传递时机;
一、直流电动机
(一)直流电动机工作原理
电能→机械能
1.通电线框在磁场中会旋转运动;
2.转动方向取决于磁极磁场方向和线框通入的电流方向;

3.线框输出的转矩与下列因素有关:
M=Cm.Φ.IS
4.磁场采用电磁场,电动机采用串激式;

5.为了增大转矩,采用多个磁极作磁场;为了实现连续运转和增加转动的平稳性,采用多个线框按不同角度排列;
6.换向片随线框转动,电刷固定不动,从而保证固定的旋转方向;
(二)直流电动机转矩自动调节过程
通电导体在磁场中运动切割磁力线,将产生电动势,方向与通入电流相反,阻碍电流流动---反电动势Ef:
Ef=Ce.φ.n

电动机转动,电压平衡方程:

分析:
阻力矩Me↑时,n↓、Ef↓、Is↑、M↑=Me-低速稳定运转。
阻力矩Me↓时,n↑、Ef↑、Is↓、M↓=Me-高速稳定运转。
可见:当负载变化时,电动机转速、电枢电流、输出转矩,均会作出相应的变化,以满足不同负载的需要。
(三)直流电动机的结构

机壳、磁极、励磁绕组、电枢、电刷及电刷架、前端盖、后端盖、轴承等;
1.磁场部分


机壳、磁极、励磁绕组;
(1)机壳
钢板卷压,安装磁极(并导磁),固装机件;
机壳上设有一绝缘接柱。

(2)磁极
四个磁极,固装在机壳内。通电励磁后形成不同的磁极极性。

(3)励磁绕组
励磁绕组数量与磁极相配,铜条绕制。

励磁绕组两两串联而后并联,再与电枢绕组串联---串激式。

一般汽车起动机内部电路连接:


2.电枢部分


硅钢片叠成,外缘切口形成线槽。
(19、21、23)
电枢轴上制有螺旋键槽,驱动传动机构。
提问:为什么制成螺旋键槽?
3.电刷及电刷架
四只电刷,铜石墨制成。安装在电刷架内,两只绝缘,两只搭铁。

电刷架铆装在前端盖:

电刷架铆装在支撑板上,支撑板与外壳绝缘(夏利轿车)。


(四)串励式直流电动机机械特性
1.定义
U=常数=12V,励磁绕组电阻Rj=常数,研究转速与转矩之间关系。
即:n=f(M)
2.特性曲线及分析


因为在串励式电动机中,Ij=Is,磁极磁通未饱和时:φ==,所以,当Is↑时:

3.特性曲线特点
轻载转速高,重载转速低;起动转矩大;
—该特点恰好满足起动发动机的需要
起动初:阻力矩最大;但n=0,Is最大,起动机输出转矩最大—恰好适应。
起动中:阻力矩减小;但n上升,Is减小,起动机输出转矩减小,因为转速升高—更便于起动。
二、传动机构

(一)功用
1.减速增扭—小齿轮驱动大齿轮;
2.单方向传递转矩—设置单向离合器;
单向离合器型式:
滚柱式;摩擦片式;弹簧式;
(二)滚柱式单向离合器


起动时,驱动齿轮主动,飞轮被动,滚柱位于腔室窄端,电枢轴产生的转矩被传至飞轮;

发动机起动后,飞轮带动驱动齿轮高速旋转,滚柱被带向腔室宽端,将驱动齿轮与电枢轴连系切断;

三、控制装置
(电磁开关)



拨叉

(一)功用
控制电动机电路的接通和切断;
控制驱动齿轮与曲轴飞轮的啮合和分离;
(二)组成
1.铜套:
内装固定铁心和引铁。引铁前端驱动触盘,后端拉动拨叉。外绕吸引线圈和保持线圈。
2.起动继电器





(三)工作过程

1.点火开关拨至起动档位
继电器线圈通电,触点闭合;吸、保线圈通电,引铁前移-电动机电路接通,驱动齿轮与飞轮啮合。



2.点火开关退出起动档位

继电器线圈断电,触点张开,吸、保线圈断电,引铁后移-电动机电路切断,驱动齿轮与飞轮分离。
3.故障分析
(1)点火开关拨至起动档位后,电动机并不转动。

电动机空转—实验电磁开关—短路起动继电器—短路点火开关;
(2)起动机转动无力
装配过紧;
轴承松旷;
轴向间隙过大;
电路连接不良;
蓄电池亏电。
(3)点火开关拨至起动档位后,电动机空转
单向离合器打滑;
电动机开关接通时机过早;
齿轮磨损超过极限;
(4)点火开关拨至起动档位后,电磁开关中的引铁连续撞击运动,电动机并不转动。
保持线圈断路;
蓄电池亏电;

起动电路连接



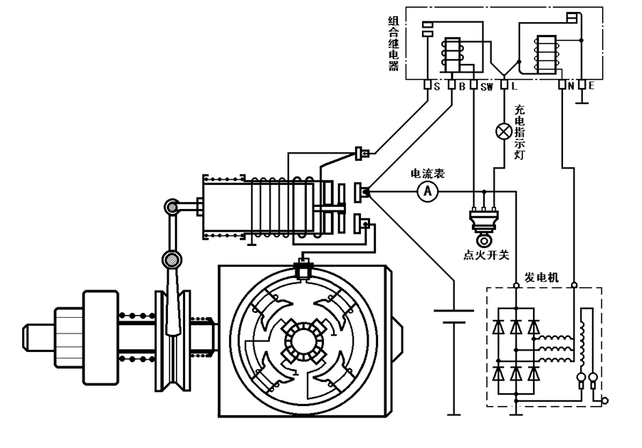
一、起动机内部电路


二、未设起动保护的控制电路

三、设置起动保护的控制电路
(一)发动机起动后易出现的两种情况
1.发动机起动后未及时放松起动开关
单向离合器加速磨损;
消耗蓄电池电能;
2.汽车行驶中误接通起动开关
驱动齿轮与高速旋转飞轮强行啮合;
(二)采取的起动保护措施
1.设置组合继电器

组合继电器



2.起动保护电路

1.点火开关直接控制方式

2.带有起动继电器的控制方式

3.带有起动保护继电器的控制方式

4.受自动变速器P、N位开关控制方式


5.带有防盗系统的控制方式

1、点火开关直接控制(夏利、桑塔纳等车型)

2、丰田5A发动机起动继电器控制



一、减速起动机与普通起动机区别
1.普通起动机
驱动齿轮转速=电枢轴转速
2.减速起动机
驱动齿轮转速<电枢轴转速
二、减速起动机优点
1.比功率增加
2.起动转矩大
3.消耗蓄电池电能少
三、减速起动机结构特点
(一)电动机
1.磁场
小功率<1.9kw—永磁磁场(6极);
大功率>1.9kw—电磁场(6极);
2.电枢
全塑换向器;绕组端子钎焊;
平轴承或滚珠轴承支撑;
(二)减速齿轮机构
1.外啮合减速齿轮机构——直动齿轮式


2.行星齿轮传动——拨叉式

每个人骨子里透露出的气质是不同的,我们的人生大都重复着别人的路,不要因为别人没有达到你的理想要求而心存轻视之心,我们很少有人摆脱出这样的循环,不要五十步笑百步,因为我们每个人都心存底线,当你肆无忌惮的侵蚀他人时,别人也会用如此相似的方式来攻击我们。所以我们彼此退避三舍,尊重别人就是尊重自己,在奋斗的时候不要伤害到别人!